时间:2006-04-15 13:05
人气:
作者:admin
EL34(6CA7)是飞利浦公司于1956年率先推出的音频功率五极电子管,当年,它的出现给音频放大器的声音质量带来了一场改良,其设计阳极耗散功率为25W(工作数据如附表)。如今,由中国曙光电子管厂生产的该管,畅销海内外。EL34再生的声音之美,是晶体管放大器还望尘莫及的。在晶体管放大器一统天下的今天,它宝刀不老、雄风犹在也正是因为这个原因。
一,电子管特点
电子管是人类历史上的第一种电子放大器件。说到电子管工作原理,对于现在的爱好者来说,是一个既古老而又时新的话题。由于某些导向上的偏见和能源关系的原因,我国在70年代以后一刀切地停止了电子管的介绍和应用,这无疑给现在的胆管发烧带来困难。在此,有必要对电子管的一些常识加以表述。
电子管是种利用电场原理工作的真空器件,在分析它的工作时,我产可以按现在常见的N沟道结型场效应管工件方式去理解就很容易入门。只是电子管的阴极电子发射需要加热罢了。两者的栅极控制特性和工作原理是极为相似的。
比较现在的晶体管放大器,电子管功放有其自身特点:一是管子本身的温度稳定,不需要在晶体管机中必不可少的巨型散热器:二是负载能力较强,而且,不象晶体管那么娇气。真要烧掉一只管子也要以数十分钟以上计,所以,实验时器件比较安全,三是电子管放大器由器件特性决定,需要通过变压器连接负载扬声器。在机器万一发生故障时,是不会象晶体管机那样祸及到昂贵的扬声器系统。
制作和使用电子管机时要注意:机内高压,小心触电!元件的耐压可靠性要高,严禁带电焊接。再有,电子管饥严禁空载,在试机时一定要连接好扬声器。
电子管是一种高电压工作的、具有相当大内阻的真空电子放大器件。它的最大长处是具有近似理想的放大线性.这个优点是目前已出现的晶体管还无法达到的,这使它的运用电路非常简洁,不必象晶体管放大器要用很多的有源器件作“共基一共射”连接。这正好对应了发烧界“简洁为上”的信条,这是在90年代电子技术高度发展的今天,它能独领响坛的一个最重要的原因。
二,电子管输出变压器
电子管的输出阻抗较高,它的等效阻值比现在广泛运用的电动式扬声器的阻抗要高出几个数量级,从阻抗匹配的角度说,采用输出变压器作阻抗变换是必需的:而且,电子管放大器的功率是以高电压、小电流的形式,从驱动低阻扬声器需要的低压大电流能量来看,使用降压变压器也是非常必要的。
对于现代音源高速发展,按再现以CD唱机为代表的高保真节目源的要求,放大器的指标就非常重要。对电子管放大器而言,这个指标很大的程度取决于输出变压器的质量。输出变压器的质量非常重要。因本文是介绍一台英国成品机套件,没有介绍具体制作,现只就变压器设计和工艺要注意的问题作一探讨。
1、初级与次数的匝数比是根据某种特定的电子管的输出阻抗与所推动的扬声器阻抗比获得的,所以,要最大限度发挥电子管的性能,选用度身设计的输出变压器很重要。
2、为了使变压器获得很低的低频响应,初级线圈的电感量必须做得较大:从高频特性和相位特性出发,就要使变压器本身的寄生电容、漏感等做得尽可能的小。传统的以收音机及普通用途的扩音机为前提的变压器显然是不能胜任现代要求的。
3、电子管作推挽输出的变压器,根据输出级的功率电子管在直流状态下是并联工作在供电电源两端、信号工作状态又是正、负半周互为反相推挽放大的特点,在绕组绕线的方向上,要使从“中心抽头”流经两个半边绕组的直流电流,产生的磁场磁力线方向相反,在铁芯内部互相抵消,以使变压器内铁芯静态磁场为零,充分利用给定铁芯的磁通量,这对防止铁芯饱和失真、减小变压器体积很重要。同时,电源上因滤波不良寄生的纹波成份也可以在变压器内部相互抑制,有利于提高信噪比。
电子管输出变压器工艺很严格,要解决以上的矛盾也非常不易,这是现在优质输出变压器及电子管放大器价格昂贵的一个主要原因。
三,电子管推挽输出级原理

图1 简单的输出级
图1示出了常见的电子管推挽输出级线路结构图。放大电子管的两阳极分别接于输出变压器的两端,工作电源HT通过输出变压器中心抽头流经初级绕组向电子管供电,负载(扬声器)联接在次级端。该线路采用“固定偏压”式线路:电子管的阴极直接与地(公共点)相连,栅极分别接入两电阻,其公共点联接到满足两电子管正常工作的负偏压电源上,这是电子管正常工作的典型配置方法。电子管的直流工作点设定还有一种“自给偏压”式方法,就是在电子管的阴极回路牛串进电阻,利用流经电子管回路中的直流电流在该电阻上产生一定的电压降,使阴极的电位相对于“地”电位有一个正的电位差,这时,电子管的栅极就可以接在地电位上,可以减掉因配置栅偏压电源带来的增加电路、增加元件的麻烦。这种所谓“自给偏压”式电路应用也较多,但是,阴极电阻会消耗一部分电压,输出功率上会有减少。
电子管的工作偏压就各型号而论是不尽相同的。而且同型号的管子在取得不同的阳极工作电压下,所需要的栅极工作偏压也不同,一般是电压增高,栅极偏压就要取得更负一些,反之,若运用时没有取到参数给出的阳极高压,栅极偏压的绝对值就要减小。电子管的典型工作参数可以从有关手册上查到。而且电子管的生产离散性相比晶体管要小得多,可以说照手册设定一般是不会有问题的。
推挽式电子管放大电路的信号放大通路,是由前级分相,取得两个互为反相的对称信号电压分别进入两只电子管的栅极,调制阴极发射的电子流,在阳樱得到放大了的信号电压、进入变压器合成,并通过变压器耦合输出给负载扬声器。输出变压器的内部联接,同名端如图上所示,这样,两阳极供电所含的直流纹波(交流成分)就可以在变压器内部反相相抵,而反相的信号成分在变压器内部转变为同相增强。功率一般增强为单只电子管的两倍左右。(具体甲类、甲乙1类、甲乙2类、乙类工作状态的输出效率在此不作比较,本机为甲乙1类工作状态。对于三极管、束射四极、五极管及流行的超线性状态因涉及面多在此也不作探讨,该机为典型五极管工作模式)。

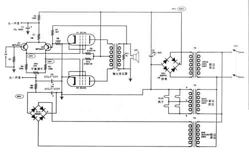
图2 混合功放全电路(一个声道)
图2示出了本混合功放电路图。在以上对电子管放大器的特殊要点分别进行探讨、说明之后,再来进行整机分析,相信大家是比较好理解的。
图上给出了本立体声放大器一个声道的线路,另一个声道的电路是完全相同的。从原理图上分析本放大器可以分为三部分:
1、电源,这包括电子管放大阳极供电的高压HT、加热傍热式电子管EL34“热子”(俗称灯丝)的6.3V电压及由变压器T/t经整流获得的-60V直流电压与高压HT组成共同提供晶体管Q1、Q2工作的电源。
2、由电子管V1、V2及周围元件与输出变压器组成的推挽式功率放大级。
3、由晶体管Q1、Q2组成的差动电压放大级。这一级主要有三个功能:
a.组成差动电压放大,把由输出端输入的弱信号电压放大到足够推动功率放大管EL34的电压:b.由简单的差动放大器完成对信号电压的分相,产生驱动推挽式放大器需要的平衡式电压输出.。c.整机电路从提高性能出发。采用不用电容耦合的直流耦合方式,电子管V1、V2的静态直流偏置(本机为一30伏),也是由晶体管Q1、Q2的集电极电位取得的,没有象一般RC耦台方式那样,设定电子管静态调整元件。
本机的这种设计,有个很大的优点是一般设计无法达到的,这就是,放大部分的两级都是采用对称的平衡式设计,它有很高的共模抑制比,因此,由电源端带来的纹波及电源干扰信号,可以在放大器内部自动地获得抵消和抑制。所以,本设计装制的放大器,交流声、噪声等杂音指标很低,信噪比完全胜任数字音响对放大器的要求。
输入信号从晶体管Q1的基极直接耦合进入功放输入级。Q1和Q2组成差动电压放大级,R3是这个差动放大器的公共射极电阻,该电阻的阻值很大,有相当的恒流特性,这对提高差分放大器的共模特性和从高压HT端取得合适的Q1、Q2工作电流、射极电位是非常必要的。其阻值大小对工作电流的设定起到重要作用。电阻R4、R5、及PR1是本差动放大器的集电极负载电阻,为提高输入级的电压增益,这个电阻值取得比较大。PR1是为了克服晶体管参数离散性大,配对性能差的毛病而设定的,它有微调两电子管控制栅极直流静态工作点和调整交流噪声自我抑制的双重功效。电阻R4、R5与PR1的总阻与差分放大器的工作电流产生的电压降将决定功放管的控制栅极偏压疽。两晶体管的集电极直接输出到Vl、V 2的控制栅极,推动功放电子管进行功率放大。
在本级供电的正负电源端,设立了由R2C1、R6C2组成的退耦滤波电路。
功放部分非常简洁。功放级的原理在上面已经谈过,在此就不重复。本机采用推挽式固定偏压五极管功率放大电路,电阻R9R10是电子管帘栅极供电电阻,它的数值是按照给定的EL34型号设定的.变压器T3是电子管EL34热子供电电源,次级连接热子的一个端接到公共电位,对减低管子产生的交流声很有作用,
机设定了一定的负反馈环路。负反馈的热端是从输出变压器的次级通过电阻R7、R8分压,把输出信号的一部分送到输入级差动放大器反相输入端(Q2的基极)获得的,R7、R8与输出变压器的降斥比共同决定负反馈量,并可控制整机输入灵敏度。本机在额定输出功率时,输入灵敏度为650mV。负反馈环路对于降低束射四极电子管、五极管的等效内阻与降低整机的失真系数有很大的作用。电子管放大器不会出现晶体管机的所谓瞬态互调失真,取得一定的负反馈是有好处的。

图3 输出级接线
五,电子管机元器件的选择
附后给出了本机所需元器件的清单,请照给定的参数配置,电于管机内部供电电压很高,要特别注意承受高压的器件的可靠性,绝缘耐压参数是否足够,以避免装调机器时因元件质量不佳而带来的不必要麻烦!
六,整机的安装
电子管扩音机需要有较大的机械强度的机架底板。本机是采用厚度为2毫米的合金铝板加工成底板的。底板的尺寸和详细的加工孔位如图4所示,请仔细照样加工。机壳结构是以上所叙的底板作为固定全部零部件的基板,侧面板厚度为3毫米的铝板弯折成框型,底面板为与基板一样大小的厚底为2毫米的铝板制造,它们靠螺丝紧紧地固定成一个薄箱。现在的电子管机非常讲究焊装工艺和结构造型,是不再在外面加网罩的,装成功的整机就象照片那样非常美观,且这种式样代表当今高级电子管机的时尚。图上带☆号的孔是为穿过电线而设的,请在孔内安装专用于穿线孔的工字型像胶圈,提高机器的绝缘性能。
图4 机壳详细尺寸
晶体管差分放大器是安装在如图6所示的印刷电路板上.请先按本文提供的印制板图进行加工,并安装好上面的元器件。整部机器上的晶体管、电容器是有极性的元件需要识别并正常地进行安装。

图5 电源连接


图6 印刷电路板元件布局
混合功放印刷板
在做好以上的准备工作以后,就可以按照图3、图4、图5和底视的配线照片进行总装焊线了。
先把电子管座、输出变压器、电源变压器、电源开关等等大型元件用螺丝固定在底板上,再把输入、输出插座、前级印板等安装上去。注意元件的金属部分,输入、输出插座的冷、热端,印制板要保证与金属机壳有可靠的绝缘,以保证安装安全和避免因产生“地线环路”形成杂音干扰等许多不必要的麻烦。请注意电源变压器T2,T3及输出变压器T1、滤波大电容C,和4只陶瓷的8脚电子管管座是安装在底板的外面,电源变压器T4及前级印板是安装在底板的内侧。参阅照片所示。
在安装完本机的大型零件后,现在可以开始做各部件之间的连线工作。具体如何连线请参照图3、图5、图6。请注意 ,输入插座到前置板要用上屏蔽线,并做到一点接地。从变压器T。及变压器T,的次级端到灯丝及前置印制板的连线是带有交流成分的,请使用双芯绞合铜芯塑胶线,使它们周围的变压磁场有自抵消作用,这对减少交流声是十分有利的。
要严格重视公共线(俗称地点)接地点的工艺和位置对提高机器性能的重要性。各个部件的接地点(图上标识为CE)请各自独立的引线,归于电容器C3负极端为一点,也就是并联式的星型接法。不要采用一条线连接到底和各自散布在金属底板的上的错误方法,这样可能产生“地回路”使信噪比下降。同样,金属底板也要从C3的负极端单独引一条线接零电位。
本机是晶体管、电子管混合式,大型元件较多,电烙铁的功率可能需要45W一75W的功率才能焊接好,晶体管部分的印刷电路板及元件比较娇气,这就需要一只25W一35W的烙铁进行焊装。
整机安装完毕后,请认真对照线路仔细检查几遍,以免通电后遭受重大损失1机器内部有高电压存在,请注意绝缘性能,高压部分的裸露接头一定要套上套管。
七,调试
在完成上述装工序并且切切实实认真检查核对后,下面,我们开始进行整机调试。调试需要具备一只20kΩ/V以上的万用表、螺丝刀再就是您的金耳朵。电子管放大器相对晶体管调试要方便得多,只要细心操作是较易完成的。
第一步;几个关键电压的测量与核准。本机几个关键的电压在图2上已经标注。为防止电压不准,烧坏昂贵的电子管,在第一次试机时,请把4只EL3/t电子管从管座上拔掉。拔、装电子管时一定要用手指握住管基的胶木部份。左右轻轻摇动拔插,并注意对准键槽。插上电源插头,接通电源开关,第一步看是否有元件严重发热、爆裂等因元件素质不良而导致的异常情况。若正常时,就可检查各电压是否与正常工作时相符。请重点检查电子筲热子(灯丝)电压是否为6.3V,栅极对地电位是否为-30V(电子管工作在甲类、甲乙1类放大时没有栅流产生,可以视为输入阻抗为近似乎开路的无限大电阻,它在与外电路并联后,是不会产生分流作用的)。如果测量的结果正常就可以进行下一步调整。若反之,第一,前级差分管集电极对地直流电位不平衡,可以调整可调电位器PR1纠正。第二,集电极电位不为-30V,这就需要对R3的数据进行调整R3大,Ic小,负电位绝对值升高,R3小,Ic大,负电位绝对值降低。
在调整时注意,由于高压滤波电容储藏有高压能量,在关机后调整前,需要用一只lkQ到2kQ左右的大功率电阻对c,进行放电,以保证安全I在以上的测试调整完成后,关机。可进行试音了。切记:
1、连接好扬声器负载!
2、暂时焊开T11热端取负反馈电阻R7的连接点。
插上4只EL34电子管,输入端(Q1基极)不输入讯号。打开电源开关,这时,我们会看到电子管的热子(灯丝)在给电以后,慢慢地红亮起来,随后,扬声器内有轻微的声响放出,若整机平衡做得很好,此时的声音就很小很小。若有交流声出现,可以左右调整PR1的动片,使交流声最小。这时,就可以输入小音量的讯号进行试音了。注意,此时因没有加入负反馈,整机的开环增益很高,声音很响很响。所以一定要调小输入信号电平,以免冲毁扬声器。
如果您安装的这台放大器经过以上的步骤都过了关的话,那末您就完成了百分之九十的工作量,可以进行加负反馈的最后一步。
要做的这个工作,您一定要有思想准备。因为,负反馈的取点如果因输出变压器的初次级相位接错。这时,就形成了正反馈,也就是常说的振荡,扬声器将发出类似于牛吼一般的大声怪叫。如果真有这事,您也不必心慌,马上关机。把输出变压器次级端冷、热极的连线对调一下就是了。自然,如果一切正常,而且在加入负反馈以后,您的机器噪声更小,乐音明显转靓的话。一台采用著名发烧级电子管的放大器就制作成功了1欣喜之余,您不妨试一下“蓝两楼”、“萨克斯管”。相信您会情有所动,世上真还有如此美妙的音乐,真让人陶醉1