| 用LM3886制作50W功放 LM3886是美国国家半导体公司新出的一款带过压、过高温保护的高保真大功率音乐IC,其外围电路简单、制作方便。其性能如下: ·VCC=±28V OUTPUT=68W/4Ω、38W/8Ω ·VCC=±35V OUTPUT=50W/8Ω ·峰值功率:135W ·信噪比≥92db ·转换率:19V/us ·互调失真:0.04% ·11脚TO-220封装 ·静音功能 ·SPiKeTM保护功能
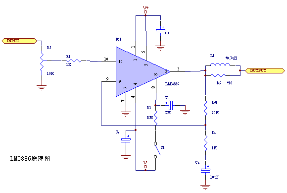
LM3886有两种型号:LM3886TF和LM3886T,前者散热片绝缘,后者不绝缘。 下图为美国国家半导体公司提供的应用电路图: 
怎么样?简单吧。以下是元器件清单: R1:1KΩ 1/4W 金膜 RM:33KΩ 1/4W 金膜 Ri:1KΩ 1/4W 金膜 Rf1:20KΩ 1/4W 金膜 R6: 10Ω/3W L:0.7uH 用Φ1的漆包线在签字笔上饶4圈,取下来就行了 Ci:10uF /35V 钽电容 其余电容一律为100uF/50V 电解电容 电位器为10KΩ指性
|
温馨提示:以上内容整理于网络,仅供参考,如果对您有帮助,留下您的阅读感言吧!
相关阅读
本类排行
相关标签
本类推荐
|