时间:2006-04-15 13:09
人气:
作者:admin
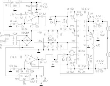
我向大家推荐的这款有源音箱功放用两个集成电路芯片即LM4766和NE5532。其中LM4766是美国半导体公司专为数字电路设计的音频功率放大器,在正负30V供电时能在8Ω负载上产生30W×2的正弦输出功率,具有输出功率大、信号放大不失真、电路连接简单等优点。
前置放大部分采用NE5532作10倍放大线路,耦合电容选择德国WIMA聚丙补品电容,大容量的滤波电容选择日本的ELNA电解电容,电阻都选用五环金属膜电阻。该功放电路如下图所示。
电源部分选用环形变压器100W双18V。给NE5532供电是由7812和7912来完成。整流器选用3A全桥。LM4766的{6}脚和{11}脚分别是左右声道的MUTE控制引脚,可以一起控制,也可以分别控制(我这种接法是一起控制,如果你想分别控制的话,需要将{6}脚和{11}脚分别接到LM4766的{4}脚)。高音选用银笛YDQG5-2,最大功率30W,低音选用银笛YD178-2P,最大功率60W。
连接好所有的电路和器件以后,试听的感觉是音质柔和而优美,丰满而富有弹性,特别是在玩3D游戏时所表现出来的震撼效果真是令人无法形容。

点击放大查看
上一篇:[图文]胆管精确配对法