时间:2006-04-15 13:09
人气:
作者:admin
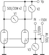
胆机末级无论属何种组态,其功放管均需严格配对(就是单管单端甲类机,两声道胆管参数也应尽量一致)。本文介绍一种双管同屏同栅测试法,电路简洁,精确度高。
原理如下图所示,利用电桥平衡原理,无需输出变压器和倒相电路,具体要求有:1.两只500Ω电阻相互阻值之差应≤0.1Ω(可用军级线绕电阻);2.灯丝电压必须是被测管的额定电压;3.屏压应和制作电路的屏压一致,栅压在-100~0V连续可调,无需稳压。工作原理为:两管屏流之差ΔIP和电压表V1读数成正比,即ΔIP=V1/500。V2用以测量屏流(管耗),V3测量栅压(均可用表V1来测量)。静、动态配对举例说明:1.插上管子预热两分钟后,加上屏压,观察V1读数,若V1≤1V,此时ΔIP≤2mA,可认为是配对管。若V1≤50mV,此时所测的两管已是千里挑一的对管。屏流在管耗允许内可选择若干个点(连续调节栅压)进一步配试;2.调好栅压,在IN端输入音频信号(音频信号发生器可仿《电子报》1997年合订本《扬声器参数业余测试》制作),观察V1读数,同时也可用台双踪示波器挂于阳极观察波形(这样可找出胆管最佳交流工作点),动态配对性好,有利于减小基波及非线性失真。V1的读数200Hz以下应≤1V,200~500Hz应≤500mV,500Hz~5kHz应≤250mV。若为四、五极管,应加上帘栅压进行测试;若为直热式管,电压表V1宜选用指针表。
