全球最实用的IT互联网信息网站!

AI人工智能P2P分享&下载搜索网页发布信息网站地图

当前位置:诺佳网 > 电子/半导体 > 音视频/家电 >

[组图]惠威SWANS M1 音箱套件图

时间:2006-04-15 13:17

人气:

作者:admin

标签: 组图惠威  套件图纸 

导读:[组图]惠威SWANSM1音箱套件图-...





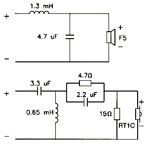
SWANS M1 音箱RT1C-AF5 分频器

  M1是惠威集团最新推出的一款Hi-Fi高保真系统。外形漂亮,音色清晰、透明、有力,充满活力地再现了音乐的重放。

  Swans M1全套系统套件包括:顶级钕铁硼带式超高音RT1C-A扬声器2只,大功率钕铁硼中低音F5扬声器2只。配套分频器共计2套,标牌2支,导相管2根,接线板2个以及制作资料





SWANS M1箱体图



W2 箱体图

W2 箱体图




SWANS M1箱体图


SWANS M1分频器图
温馨提示:以上内容整理于网络,仅供参考,如果对您有帮助,留下您的阅读感言吧!
相关阅读
本类排行
相关标签
本类推荐

CPU | 内存 | 硬盘 | 显卡 | 显示器 | 主板 | 电源 | 键鼠 | 网站地图

Copyright © 2025-2035 诺佳网 版权所有 备案号:赣ICP备2025066733号
本站资料均来源互联网收集整理,作品版权归作者所有,如果侵犯了您的版权,请跟我们联系。

关注微信