全球最实用的IT互联网信息网站!

AI人工智能P2P分享&下载搜索网页发布信息网站地图

当前位置:诺佳网 > 电子/半导体 > 音视频/家电 >

惠威SWANS M1.2 音箱图

时间:2006-04-15 13:17

人气:

作者:admin

标签: 组图惠威  音箱图纸 

导读:惠威SWANSM1.2音箱图-...

 
 
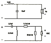
SWANS M1.2 音箱 RT2C-A F6 分频器

    扬声器单元全部重新开发,低音单元为6"口径的惠威超长冲程防弹布复合纤维顶级单元F6,高音单元则是惠威全球首创的可以直接与任何低音扬声器搭配的顶级带式高音RT2C-A。
    Swans M1.2全套系统套件包括:顶级带式超高音RT2C-A扬声器2只,超低音F6扬声器2只。配套分频器DN-M1.2共计2套,标牌2支,导相管8根,接线板2个以及制作资料

   
   
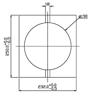
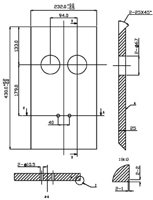
SWANS M1.2前板1 SWANS M1.2前板2
   
   
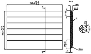
SWANS M1.2顶底板 SWANS M1.2后板
   
   
SWANS M1.2隔板 SWANS M1.2面网
   
   
SWANS M1.2分频器图 SWANS M1.2侧板
温馨提示:以上内容整理于网络,仅供参考,如果对您有帮助,留下您的阅读感言吧!
相关阅读
本类排行
相关标签
本类推荐

CPU | 内存 | 硬盘 | 显卡 | 显示器 | 主板 | 电源 | 键鼠 | 网站地图

Copyright © 2025-2035 诺佳网 版权所有 备案号:赣ICP备2025066733号
本站资料均来源互联网收集整理,作品版权归作者所有,如果侵犯了您的版权,请跟我们联系。

关注微信