全球最实用的IT互联网信息网站!
AI人工智能P2P分享&下载搜索网页发布信息网站地图
音响线和音频线的区别说明
阅读全文2020-09-10
ADI公司宣布推出采用A2B®音频总线技术的完整音频
Bang & Olufsen在其95周年纪念版旗舰耳罩式耳机中选
液晶电视的优点和缺点_液晶电视和led电视哪个好
阅读全文2020-09-09
HiFi芯片走向减配之路 HiFi发展受到了哪些限制
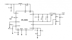
PL3050在大功率蓝牙音箱中的DC-DC解决方案
阅读全文2020-09-08
液晶电视怎么连接wifi_液晶电视怎么连接机顶盒
液晶电视怎么投屏_液晶电视怎么擦干净
深度学习将对音频处理产生深远影响 亚马逊团队
美的物联网是亮点但高管减持 美的回应董事长套
阅读全文2020-09-07
低成本、易部署、更高效 | 千视全NDI IP剧
音频电路供电没有负压也能正常输出的原
富信推出新款双P沟道增强型场效应管FS
制冷系统和制冷机一样吗 制冷系统和制冷
CPU | 内存 | 硬盘 | 显卡 | 显示器 | 主板 | 电源 | 键鼠 | 网站地图
Copyright © 2025-2035 诺佳网 版权所有 备案号:赣ICP备2025066733号 本站资料均来源互联网收集整理,作品版权归作者所有,如果侵犯了您的版权,请跟我们联系。