全球最实用的IT互联网站!
人工智能P2P分享搜索全网发布信息网站地图标签大全
无处不在的语音识别,让物联网用户体验再升级
阅读全文2014-12-18
语音识别道路坎坷,速度、私有云成关键因素
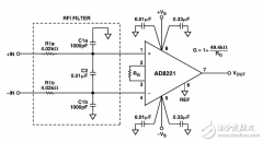
盘点放大器中射频干扰整流误差电路 —电路图天
阅读全文2014-12-17
运算放大器电路设计知识你注意到了吗
语音识别扎根可穿戴,助力提升用户体验
语音识别强势升级,语境预测掀起新浪潮
基于语音识别的汽车空调控制系统设计
阅读全文2014-12-16
莱迪思推出适用于移动设备语音侦测和识别解决
Nuance语音识别技术及解决方案
基于ZigBee节点的智能家居系统语音控制设计
低成本、易部署、更高效 | 千视全NDI IP剧
音频电路供电没有负压也能正常输出的原
富信推出新款双P沟道增强型场效应管FS
制冷系统和制冷机一样吗 制冷系统和制冷
CPU | 内存 | 硬盘 | 显卡 | 显示器 | 主板 | 电源 | 键鼠 | 网站地图
Copyright © 2025-2035 诺佳网 版权所有 备案号:赣ICP备2025066733号 本站资料均来源互联网收集整理,作品版权归作者所有,如果侵犯了您的版权,请跟我们联系。