全球最实用的IT互联网信息网站!
AI人工智能P2P分享&下载搜索网页发布信息网站地图
无针电子针灸器电路
阅读全文2012-03-07
肌肉生物刺激电路
SL9711构成的冻疮治疗仪电路
阅读全文2012-03-06
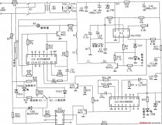
利德LD-1型磁脉冲治疗仪原理图
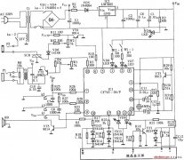
双数显儿童弱视治疗仪原理图
血脉通多功能治疗仪电路
TX03A人工心肺机电路
PIC16C57构成的吸氧机电路
阅读全文2012-03-05
多功能频谱治疗仪电路
氦氖激光医疗器电路
阅读全文2012-03-02
智锐通携“硬核”AI医疗硬件登场CMEF,解
思特威亮相2025中国国际工业博览会
无线医疗设备测试知识分享
锁定全球头部医械订单!9月上海精准对接
CPU | 内存 | 硬盘 | 显卡 | 显示器 | 主板 | 电源 | 键鼠 | 网站地图
Copyright © 2025-2035 诺佳网 版权所有 备案号:赣ICP备2025066733号 本站资料均来源互联网收集整理,作品版权归作者所有,如果侵犯了您的版权,请跟我们联系。