时间:2009-07-30 09:14
人气:
作者:admin
光电隔离器应用实例
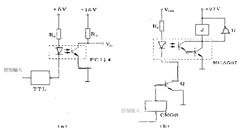
光电隔离器可以组成多种多样的应用电路。如组成光电隔离电路,长传输线隔离器,TTL电路驱动器,CMOS电路驱动器,脉冲放大器等。目前,在A/D模拟转换开关,光斩波器,交流、直流固态继电器等方面也有广泛应用。光电隔离器的输入部分为红外发光二极管,可以采用TTL或CMOS数字电路驱动。图1、2为应用实例。

在图1中,输出电压Vo受TTL电路反相器的控制,当反相器的控制输入信号为低电平时,信号反相使输出为高电平,红外发光二极管截止,光敏三极管不导通,Vo输出为高电平。反之Vo输出为低电平。从而实现TTL电路控制信号的隔离、传输和驱动作用。
图2为CMOS门电路通过光电隔离器为中间传输媒介,驱动电磁继电器的应用实例。当CMOS反相器的输出控制信号为高电平时.其输出信号为低电平,Q晶体管截止,红外发光二极管不导通,光电隔离器中的输出达林顿管截止,继电器控制绕组J处于释放状态。反之继电器的控制绕组J吸合,继电器的触点可完成规定的控制动作,从而实现CMOS门电路对电磁继电器控制电路的隔离和驱动。
选用输出部分为达林顿晶体管的光电隔离器,可以显著提高晶体管的电流放大系数,从而提高光电耦合部分的电流传输比CTR。这样,输入部分的红外发光二极管只需较小的正向导通电流If,就可以输出较大的负载电流,以驱动继电器、电机、灯泡等负载形式。
达林顿晶体管输出形式的光电隔离器,其电流传输比CTR可达5000%,即Ic=5000×If ,适用于负载较大的应用场合。在采用光电隔离器驱动电磁继电器的控制绕组时,应在控制绕组两侧反向并联二极管D,以抑制吸动时瞬恋反电动势的作用,从而保护继电器产品。
上一篇:一种自恢复过压保护电路图
下一篇:6Y7单片全自动电压表电路图