全球最实用的IT互联网信息网站!

AI人工智能P2P分享&下载搜索网页发布信息网站地图

当前位置:诺佳网 > 电子/半导体 > 制造与封装 >

达林顿管的典型应用电路图

时间:2009-07-30 09:17

人气:

作者:admin

标签: 电路图 

导读:达林顿管的典型应用电路图-达林顿管的典型应用 1、用于大功率开关电路、电机调速、逆变电路。2、驱动小型继电器利用CMOS电路经过达林顿管驱动高灵敏度继电器的电路,如图1所...
达林顿管的典型应用


1、用于大功率开关电路电机调速、逆变电路。

2、驱动小型继电器

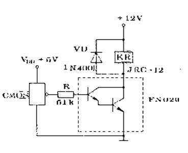
利用CMOS电路经过达林顿管驱动高灵敏度继电器的电路,如图1所示。虚线框内是小功率NPN达林顿管FN020。



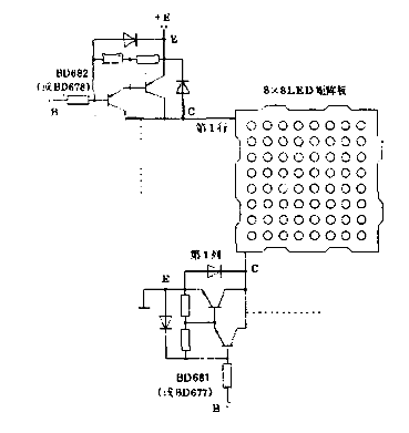
3、驱动LED智能显示屏

LED智能显示屏是由微型计算机控制,以LED矩阵板作显示的系统,可用来显示各种文字及图案。该系统中的行驱动器和列驱动器均可采用高β、高速低压降的达林顿管。图2是用BD683(或BD677)型中功率NPN达林顿管作为列驱动器,而用BD682(或BD678)型PNP达林顿管作行驱动器,控制8×8LED矩阵板上相应的行(或列)的像素发光。



应注意的是,达林顿管由于内部由多只管子及电阻组成,用万用表测试时,be结的正反向阻值与普通三极管不同。对于高速达林顿管,有些管子的前级be结还反并联一只输入二极管,这时测出be结正反向电阻阻值很接近;容易误判断为坏管,这个请注意。

温馨提示:以上内容整理于网络,仅供参考,如果对您有帮助,留下您的阅读感言吧!
相关阅读
本类排行
相关标签
本类推荐

CPU | 内存 | 硬盘 | 显卡 | 显示器 | 主板 | 电源 | 键鼠 | 网站地图

Copyright © 2025-2035 诺佳网 版权所有 备案号:赣ICP备2025066733号
本站资料均来源互联网收集整理,作品版权归作者所有,如果侵犯了您的版权,请跟我们联系。

关注微信