时间:2006-04-16 23:16
人气:
作者:admin
1、自动洗手器
自动洗手器的电路原理如图一所示。

220V 交流电路经变压器T 降压,变为低压交流电,经整流滤波,成为低压直流,再经三端集成稳压电路7806稳压,得到6V直流电供给控制电路工作。H1为红色发光二极管,作为电源指示。N2 为红外接收电路SFH506-38,N3 为锁相环音频译码器LM567,N3 与R3、C6 组成振荡器,R3、R6 决定N3 内部压控振荡器的中心频率,LM567 的3 脚为信号输入端,8 脚为逻辑输出端,其输出端为OC门输出,最大灌电流为100mA,LM567 的工作电压为4.75V~9V,工作频率可从零点几赫兹到500 千赫,静态工作电流为8mA。N4 为NE555 定时器,它与外围元件组成单稳态定时电路,其目的是在人手偶尔偏离了红外线的探测范围时,能保证洗手器的正常出水。LM567芯片5脚输出的振荡信号经三极管功率放大后,推动红外发射二极管VD向外发射红外线。没有人洗手时,红外接收电路N2 接收不到VD 向外发射的红外线,N3 的3 脚无信号输入,8 脚为高电平,N4 的3 脚为低电平,三极管截止,继电器K 断电处于释放状态,电磁阀Y 不动作,洗手器无自来水放出。当人手放到洗手器下时,N2 接收到人手反射的红外线并经N2 放大后,输入到N3 的3 脚,由N3 内部处理后使N3 的8 脚输出低电平,从而使N4 的低触发端2 脚变为低电位,导致N4 的3 脚输出高电平,三极管导通,继电器J1 吸合,使其常开触点闭合,接通电磁阀Y 的220V 交流电源,Y 开始动作,使洗手器放出自来水,供人们洗涤之用,同时发光二极管LED2 发出绿光,指示洗手器正工作于放水状态。洗涤完毕,人手离开洗手器后,N4 延时几秒钟后复位,使洗手器停止放水。图1 中,变压器T 采用220V/9V 小型交流变压器,VD 为PH303 红外发射二极管,VT1 为8050三极管,VT2 为9013 三极管,J1 采用JRX-13F、6V 小型直流继电器,Y 采用市售的220V 交流电磁阀,其余元件型号与数据见图1 中所标参数。
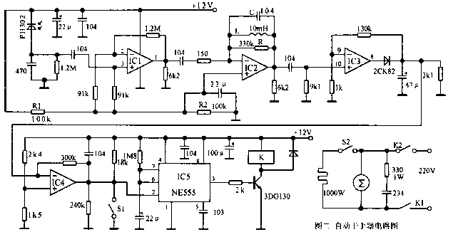
2 、自动干手器
自动干手器电路图如图二所示,电路由红外发射部分与红外接收控制部分组成。

红外发射部分由555 时基电路产生频率为5kHz,占空比为50%的方波信号,驱动红外发射管发射红外线。在手置于干手器下部时,由于手对红外线的反射作用,接收电路中的PH302 将接收到的红外线变成电信号,经I C 1 、I C 2 、I C 3 组成的选频放大器,其输出信号经放大、整形、滤波变成直流信号进人比较器IC4。比较器的门限电压为7V,设置较高,其目的是提高电路的抗干扰能力。当IC4 的输人电平超过7V 时,其输出变为低电平,触发IC5 定时器开始定时,同时该定时器的3 脚变为高电平,使3DG130 导通,继电器触点吸合,接通电阻丝和风机。在定时器的2 脚设置了手动开关S 1 ,可进行手动操作,还可通过S 2 选择冷风或热风。
上一篇:两款频率温度转换电路
下一篇:数字式逻辑状态测试器
台积电如何为 HPC 与 AI 时代的 2.5D/3D 先进