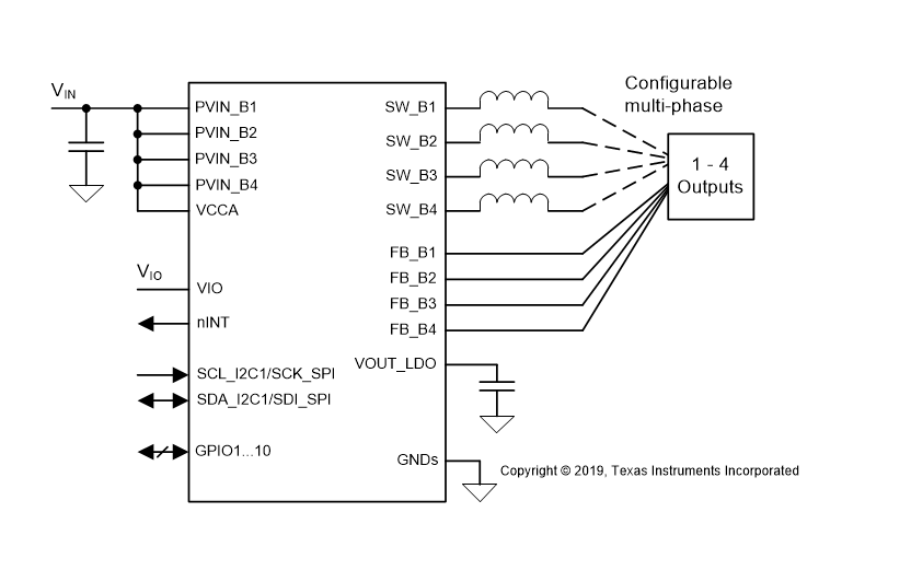
LP8769x-Q1 器件旨在满足各种安全相关汽车和工业应用中最新处理器和平台的电源管理要求。该器件具有 4 个降压 DC/DC 转换器内核,可配置为从 1 个 4 相输出到 4 个 1 相输出的五种不同的相位配置。设备设置可以由 I 更改^2^C 兼容串行接口或通过 SPI 串行接口。
*附件:LP8769-Q1 高频四通道降压 DC-DC 数据表.pdf
自动 PFM/PWM (AUTO 模式)作与自动相位添加和切相相结合,可在较宽的输出电流范围内最大限度地提高效率。LP8769x-Q1 器件支持多相输出的远程差分电压感应,以补偿稳压器输出和负载点 (POL) 之间的 IR 压降,从而提高输出电压的精度。开关时钟可以强制到 PWM 模式,并且相位是交错的。开关可以同步到外部时钟,并且可以启用扩频模式以最大限度地减少干扰。
特性
- 符合 AEC-Q100 标准,结果如下:
- 输入电压:2.8 V 至 5.5 V
- 器件温度等级 1:-40°C 至 +125°C 环境工作温度范围
- 器件 HBM ESD 分类 2 级
- 器件 CDM ESD 分类 C4B 级
- 符合功能安全标准
- 专为功能安全应用而开发
- 提供有助于 ISO 26262 系统设计达到 ASIL-D 的文档
- 提供有助于 IEC 61508 系统设计(最高 SIL-3 的文档)
- 系统能力高达 ASIL-D
- 高达 ASIL-D 的硬件完整性
- 窗口式电压和过流监视器
- 带可选触发器/Q&A 模式的看门狗
- 电平或 PWM 错误信号监控 (ESM)
- 带高温警告和热关断的热监控
- 配置寄存器和非易失性存储器上的位完整性 (CRC) 错误检测
- 4 个高效降压 DC/DC 转换器:
- 输出电压:0.3 V 至 3.34 V(多相输出为 0.3 V 至 1.9 V)
- 最大输出电流:每相 5 A,4 相配置最高 20 A
- 可编程输出电压转换速率:0.5 mV/μs 至 33 mV/μs
- 开关频率:2.2 MHz 或 4.4 MHz
- 10 个可配置的通用 I/O (GPIO)
- 用于多 PMIC 同步的 SPMI 接口
- 输入过压监控器 (OVP) 和欠压锁定 (UVLO)
参数

方框图

1. 产品概述
LP8769-Q1是一款高频四通道降压DC-DC转换器,专为满足先进驾驶辅助系统(ADAS)、前视摄像头、环视系统ECU、长距离雷达、传感器融合和域控制器等安全相关汽车和工业应用的电源管理需求而设计。
2. 主要特性
- AEC-Q100认证:通过AEC-Q100认证,适用于汽车级应用,工作温度范围为-40°C至+125°C。
- 功能安全合规:支持ISO 26262系统设计高达ASIL-D和IEC 61508系统设计高达SIL-3。
- 四通道降压DC-DC转换器:
- 输出电压范围:0.3V至3.34V(多相输出时为0.3V至1.9V)。
- 最大输出电流:每相5A,四相配置时高达20A。
- 可编程输出电压斜率:0.5mV/µs至33mV/µs。
- 开关频率:2.2MHz或4.4MHz。
- 高效性:自动PFM/PWM(AUTO模式)操作,结合自动相位添加和相位脱落,在宽输出电流范围内实现高效率。
- 多功能监控和保护:包括过压监控(OVP)、欠压锁定(UVLO)、过流监控、热监控、CRC错误检测等。
- 配置灵活性:支持I²C和SPI串行接口进行配置,10个可配置通用I/O(GPIO),SPMI接口用于多PMIC同步。
3. 应用领域
- 高级驾驶辅助系统(ADAS)
- 前视摄像头
- 环视系统ECU
- 长距离雷达
- 传感器融合
- 域控制器
4. 封装信息
- 封装类型:VQFN-HR(32引脚)
- 封装尺寸:5.50mm × 5.00mm
5. 性能规格
- 提供了详细的电气特性参数,包括输入电压范围、输出电压精度、负载调节、线性调节、瞬态响应等。
- 强调了高效能和低功耗设计,适合高性能应用。
6. 功能描述
- 描述了自动PFM/PWM操作模式、远程差分电压感测、外部时钟同步、扩频模式等关键功能。
- 提供了关于错误信号监控(ESM)、热监控、CRC错误检测等安全功能的详细描述。
7. 应用与实施
- 提供了典型应用电路和布局指导,帮助设计师优化电源路径、地路径和旁路电容的布局。
- 强调了正确配置GPIO引脚和监控功能的重要性,以确保系统的可靠性和安全性。
8. 支持文档和资源
- 提供了文档更新通知、TI E2E支持论坛链接、商标信息、静电放电警告等支持资源。