LP8758-EA 器件旨在满足手机、网卡和类似应用中低功耗处理器的电源管理要求。该器件包含 4 个降压 DC-DC 转换器内核,提供 4 个输出电压轨。该设备由 I 控制^2^C 兼容串行接口。
自动 PWM-PFM (AUTO 模式)作可在较宽的输出电流范围内最大限度地提高效率。
*附件:lp8758-ea.pdf
LP8758-EA 支持与硬件 Enable 输入信号同步的可编程启动和关断排序。
保护功能包括短路保护、电流限制、输入电源 UVLO 以及温度警告和关断功能。为设备的状态信息提供了几个错误标志。此外,LP8758-EA 器件支持负载电流测量,无需添加外部电流感应电阻器。在启动和电压变化期间,该器件控制输出转换速率,以最大限度地减少输出电压过冲和浪涌电流。
特性
- 完全集成的四通道降压,每个降压的可编程最大输出电流高达 4A
- 自动 PWM-PFM 和强制 PWM作
- 可编程输出电压转换速率从 30 mV/μs 到 0.5 mV/μs
- 输入电压范围:2.5 V 至 5.5 V
- V
外范围:0.5 V 至 3.36 V(带 DVS)
- 带使能信号的可编程启动和关断排序
- 我^2^C 兼容接口,支持标准 (100 kHz)、快速 (400 kHz)、快速+ (1 MHz) 和高速 (3.4 MHz) 模式
- 具有可编程屏蔽的中断功能
- 负载电流测量
- 输出短路和过载保护
- 用于降低 EMI 的扩频模式
- 四个降压内核以 90° 异相工作,从而降低了输入纹波电流
- 超温警告和保护
- 欠压锁定 (UVLO)
参数

方框图

1. 概述
LP8758-EA是一款高度集成的四通道同步降压DC-DC转换器,专为移动处理器、网络卡等低功耗应用设计。该器件集成了四个独立的降压转换器核心,每个核心可提供高达4A的可编程最大输出电流。
2. 主要特性
- 四通道同步降压:每个通道可编程最大输出电流为4A。
- 自动PWM-PFM模式:根据输出电流自动切换PWM(脉冲宽度调制)和PFM(脉冲频率调制)模式,以提高效率。
- 宽输入电压范围:2.5V至5.5V。
- 输出电压范围:0.5V至3.36V,支持DVS(动态电压调节)。
- 可编程特性:包括输出电压上升斜率、启动和关闭时序、I2C接口等。
- 保护功能:包括短路保护、过流保护、过热警告和关断、欠压锁定等。
- I2C接口:支持标准(100kHz)、快速(400kHz)、快速+(1MHz)和高速(3.4MHz)模式。
3. 应用领域
- 光学模块
- 无人机系统
- 智能手机、电子书和平板电脑
- 固态硬盘
4. 功能描述
- 自动PWM-PFM操作:在高负载电流下自动切换到PWM模式,轻负载时切换到PFM模式以节省电流。
- 可编程输出电压上升斜率:允许用户设置输出电压的上升速度,以减少输出电压过冲和涌入电流。
- 启动和关闭时序:可通过I2C接口或使能信号编程控制。
- 负载电流测量:无需外部电流感应电阻即可测量负载电流。
- 扩频模式:减少EMI(电磁干扰)。
5. 封装与机械信息
- 封装类型:YFF 35-pin DSBGA(晶圆级芯片规模封装)。
- 尺寸:详细的封装尺寸和引脚布局信息在数据表中提供。
6. 电气特性
- 提供了详细的电气特性参数,包括绝对最大额定值、推荐工作条件、热信息、电气特性等。
- 具体参数如输入电压范围、输出电压精度、负载调节、线性调节、效率等均有详细说明。
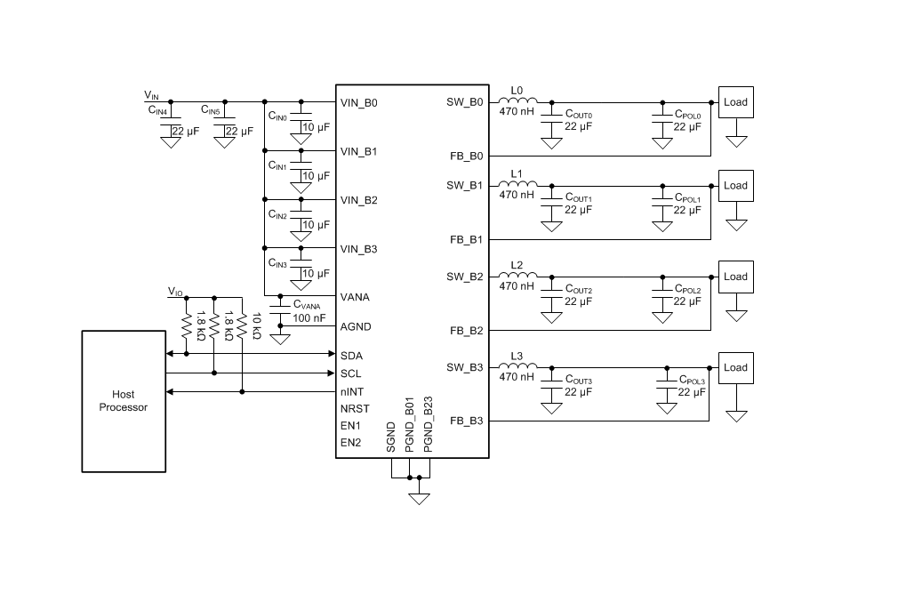
7. 典型应用电路
数据表中提供了LP8758-EA的典型应用电路图,展示了如何连接输入电源、输出负载、电感、电容以及I2C接口等。
8. 布局指南
- 提供了详细的布局指南,以确保最佳性能和减少噪声干扰。
- 包括输入和输出电容的放置、电感的选择、地平面的设计、信号线的走线等建议。
9. 文档与支持
- TI提供了全面的文档支持,包括数据表、应用笔记、参考设计等。
- 用户可以通过TI的E2E™支持论坛获取技术支持和社区帮助。
- TI还提供了文档更新通知服务,确保用户能够及时获取最新信息。
10. 注意事项
- 在处理LP8758-EA时,应注意静电放电(ESD)防护,以避免损坏器件。
- 用户应根据具体应用需求选择合适的电感和电容,并进行充分的测试和验证。