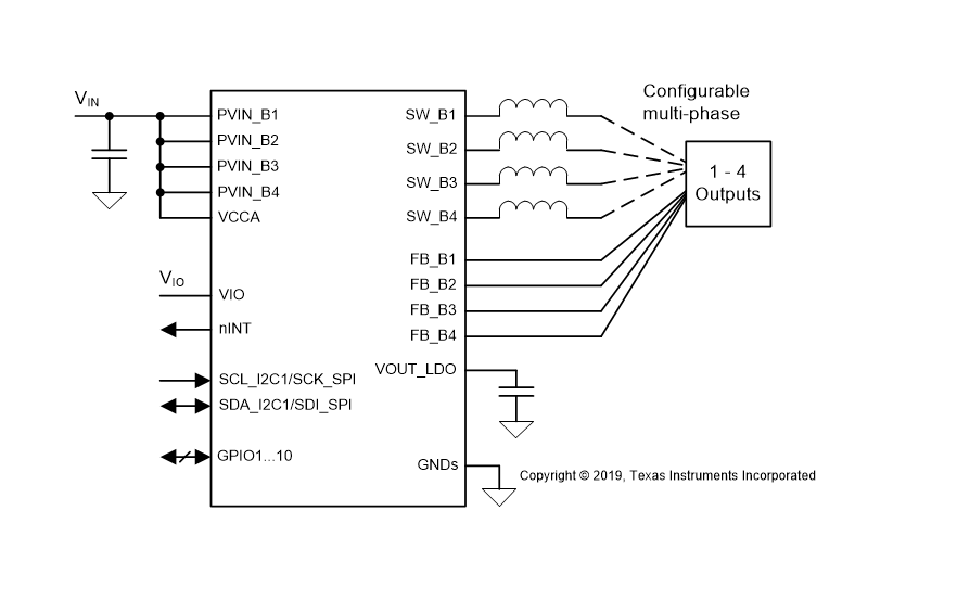
LP8764-Q1 器件旨在满足各种安全相关汽车和工业应用中最新处理器和平台的电源管理要求。该器件具有 4 个降压 DC/DC 转换器内核,可配置为从 1 个 4 相输出到 4 个 1 相输出的五种不同的相位配置。器件设置可通过 I2C 兼容串行接口或 SPI 串行接口更改。
*附件:lp8764-q1.pdf
自动 PFM/PWM (AUTO 模式)作与自动相位添加和切相功能相结合,可在较宽的输出电流范围内最大限度地提高效率。LP8764-Q1 器件支持多相输出的远程差分电压感应,以补偿稳压器输出和负载点 (POL) 之间的 IR 压降,从而提高输出电压的精度。开关时钟可以强制到 PWM 模式,并且相位是交错的。开关可以同步到外部时钟,并且可以启用扩频模式以最大限度地减少干扰。
特性
- 符合 AEC-Q100 标准,结果如下:
- 输入电压:2.8 V 至 5.5 V
- 器件温度等级 1:-40°C 至 +125°C 环境工作温度范围
- 器件 HBM ESD 分类 2 级
- 器件 CDM ESD 分类 C4B 级
- 符合功能安全标准
- 专为功能安全应用而开发
- 提供有助于 ISO 26262 系统设计达到 ASIL-D 的文档
- 提供有助于 IEC 61508 系统设计(最高 SIL-3 的文档)
- 系统能力高达 ASIL-D
- 高达 ASIL-D 的硬件完整性
- 窗口式电压和过流监视器
- 带可选触发器/Q&A 模式的看门狗
- 电平或 PWM 错误信号监控 (ESM)
- 带高温警告和热关断的热监控
- 配置寄存器和非易失性存储器上的位完整性 (CRC) 错误检测
- 4 个高效降压 DC/DC 转换器:
- 输出电压:0.3 V 至 3.34 V(多相输出为 0.3 V 至 1.9 V)
- 最大输出电流:每相 5 A,4 相配置最高 20 A
- 可编程输出电压转换速率:0.5 mV/μs 至 33 mV/μs
- 开关频率:2.2 MHz 或 4.4 MHz
- 10 个可配置的通用 I/O (GPIO)
- 用于多 PMIC 同步的 SPMI 接口
- 输入过压监控器 (OVP) 和欠压锁定 (UVLO)
参数

方框图

1. 产品概述
- 设备名称:LP8764-Q1
- 类型:四相20A降压转换器(Buck Converter)
- 应用:专为各种安全相关的汽车和工业应用中的最新处理器和平台设计,满足其电源管理需求。
2. 主要特性
- AEC-Q100 认证:符合汽车电子委员会标准,适用于汽车级应用。
- 功能安全:符合ISO 26262和IEC 61508标准,支持ASIL-D和SIL-3级别的系统设计。
- 高效转换:四个高效降压DC/DC转换器核心,每相最大输出电流5A,四相配置时最大可达20A。
- 灵活配置:支持五种不同的相位配置,从单个四相输出到四个单相输出。
- 监控与保护:具有窗口电压和过电流监控、看门狗定时器、错误信号监控(ESM)和热监控等功能。
- 通信接口:支持I2C和SPI串行接口,用于设备配置和监控。
- 可编程性:输出电压、输出电压上升斜率等参数可编程。
- 同步与去耦:支持外部时钟同步和扩展频谱模式,以减少干扰。
3. 应用领域
- 高级驾驶辅助系统(ADAS)
- 前置摄像头
- 环视系统ECU
- 远程雷达
- 传感器融合
- 域控制器
4. 封装与尺寸
- 封装类型:32引脚VQFN-HR封装
- 尺寸:5.50mm × 5.00mm
5. 文档与支持
- 文档更新通知:用户可通过TI官网订阅文档更新通知。
- 技术支持:提供TI E2E™支持论坛等技术支持资源。
6. 静电放电(ESD)警告
- 强调在处理和安装该集成电路时需采取适当的静电放电预防措施,以避免损坏设备。