TPS6508700 器件是一款单芯片电源管理 IC (PMIC),专为 AMD™ 系列 17h 型号 10h-1Fh 处理器而设计,适用于笔记本电脑和一体机台式机。TPS6508700 器件提供 5.6V 至 21V 的输入范围,可用于广泛的应用。该器件非常适合使用 2S、3S 或 4S 锂离子电池组的 NVDC 和非 NVDC 电源架构。D-CAP2™ 和 DCS-Control™ 高频稳压器使用小型电感器和电容器来实现小尺寸解决方案。D-CAP2 和 DCS 控制拓扑具有出色的瞬态响应性能,非常适合具有快速负载切换的处理器内核和系统内存轨。I2C 接口允许通过嵌入式控制器 (EC) 或片上系统 (SoC) 进行简单控制。PMIC 采用 8mm × 8mm 单排 VQFN 封装,带有导热垫,具有良好的散热效果,易于电路板布线。
*附件:tps6508700.pdf
特性
- 5.6V 至 21V 的宽 VIN 范围
- 三个具有 D-CAP2™ 拓扑结构的可变输出电压同步降压控制器
- 使用具有可选电流限制的外部 FET 的可扩展输出电流
- 用于 BUCK2 和 BUCK6 的 I2C 动态电压调节 (DVS) 控制,用于 BUCK1 的外部反馈
- 三个可变输出电压同步降压转换器,具有 DCS 控制™拓扑和 I2C DVS 功能
- VIN 范围为 4.5V 至 5.5V
- VOUT 范围为 0.425V 至 3.575V
- 高达 3A 的输出电流
- 三个具有可调输出电压的 LDO 稳压器
- LDOA1:1.35V 至 3.3V 的 I2C 可选输出电压,输出电流高达 200mA
- LDOA2 和 LDOA3:0.7V 至 1.5V 的 I2C 可选输出电压,输出电流高达 600mA
- 以 BUCK6 作为输入电压的 LDO
- 三个负载开关,带转换速率控制
- 高达 300mA 的输出电流,压降小于标称输入电压的 1.5%
- RDSON < 96mΩ(1.8V 输入电压)
- 5V 固定输出电压 LDO (LDO5)
- 用于 SMPS 栅极驱动器和 LDOA1 的电源
- 自动切换到 5V 降压以实现更高的效率
- 通过工厂 OTP 编程实现内置排序
- CTL1、CTL4 和 CTL5 用于 G3'、G3、S5 和 S0 状态选择
- 用于PG_S0和PG_S5的 GPO1 和 GPO2
- 漏极开路中断输出引脚
- I2C 接口支持:
- 标准模式 (100kHz)
- 快速模式 (400kHz)
- 快速模式加 (1MHz)
参数

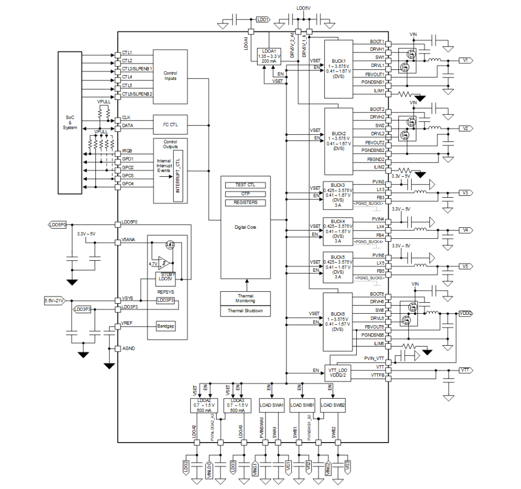
方框图

1. 概述
TPS6508700是一款专为AMD™ Family 17h Models 10h-1Fh处理器设计的电源管理集成电路(PMIC)。它集成了多种电压调节器,包括步降控制器、同步步降转换器、低压差线性稳压器(LDO)和负载开关,适用于笔记本电脑、一体机桌面等应用。
2. 主要特性
- 宽输入电压范围:支持5.6V至21V的输入电压,适用于多种电源架构。
- 多电压调节器:
- 三个步降控制器(BUCK1, BUCK2, BUCK6),支持D-CAP2™拓扑结构,具有可扩展的输出电流。
- 三个同步步降转换器(BUCK3, BUCK4, BUCK5),支持DCS-Control™拓扑结构,最高输出电流可达3A。
- 三个LDO调节器(LDOA1, LDOA2, LDOA3),具有可调输出电压,最高可达600mA。
- 三个负载开关(SWA1, SWB1, SWB2),支持高达300mA的输出电流。
- I²C接口:支持标准模式(100kHz)、快速模式(400kHz)和高速模式(1MHz),方便配置和控制。
- 动态电压缩放(DVS) :支持BUCK2和BUCK6的I²C动态电压缩放,提高系统效率。
- 内置保护功能:包括过流保护、过压保护、热关断等,确保系统稳定运行。
3. 应用
- 适用于2S、3S或4S Li-Ion电池供电的产品,如平板电脑、超极本、笔记本电脑等。
- 也适用于墙电供电的设计,特别是12V供电环境。
4. 封装与尺寸
- 采用8mm × 8mm的VQFN封装,带有热焊盘,有利于热散耗和板路布局。
5. 电气特性
- 各电压调节器具有详细的电气参数,包括输出电压范围、输出电流、效率、线性调整率、负载调整率等。
- 提供了详细的开关特性,如启动时间、上升时间、下降时间等。
6. 功能模块
- BUCK控制器:采用D-CAP2控制方案,优化瞬态响应,支持自动PWM和强制PWM模式。
- 同步步降转换器:采用独特的滞回PWM控制器方案,具有优秀的AC负载瞬态调节能力。
- LDO调节器:提供稳定的输出电压,具有低噪声、低功耗的特点。
- 负载开关:具有可编程的软启动时间、过流保护等功能,支持快速负载切换。
7. 布局与热管理
- 提供了详细的布局指南和布局示例,帮助设计者优化PCB布局,减少干扰和热问题。
- 强调了输入和输出电容、电感的选择和布局要求,以确保电源稳定性。
8. 编程与寄存器
- 通过I²C接口对PMIC进行编程和控制,提供了丰富的寄存器配置选项。
- 寄存器包括设备ID、中断状态、电源状态、控制寄存器等,方便用户根据需要进行配置。
9. 文档与支持
- 提供了详细的数据手册和应用指南,涵盖了功能描述、电气特性、应用电路、布局指南等内容。
- 用户可通过TI的官方网站获取相关技术支持和文档更新通知。
10. 注意事项
- 在使用过程中需遵守静电放电(ESD)预防措施,避免损坏芯片。
- 在进行电源设计时,需考虑输入电压的稳定性、输出电容的ESR和ESL特性、以及热管理等因素,以确保电源系统的稳定性和可靠性。