时间:2023-07-28 10:16
人气:
作者:admin
1
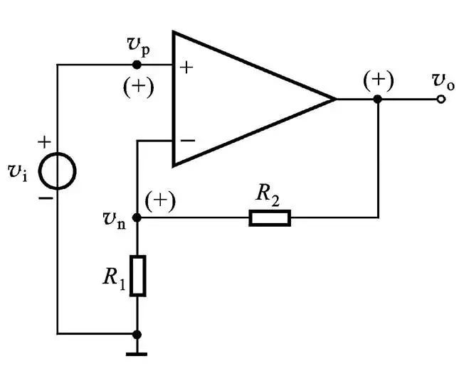
反相放大电路

图中运放的同向端接地Vp=0V,反向端和同向端虚短,所以也是0V,反向输入端输入电阻很高,虚断,几乎没有电流注入和流出,那么R1和R2相当于是串联的,流过一个串联电路中的每一只组件的电流是相同的,即流过R1的电流和流过R2的电流是相同的。
I1 = (Vi - V-)/R1 ................a
I2 = (V- - Vout)/R2 ............b
V- = V+ = 0 .......................c
I1 = I2 ...............................d
求解上面的初中代数方程得Vout =
(-R2/R1)*Vi
这就是我们平时所说的反向放大器的输入输出关系式了。
很简单吧?既然讲到了反相放大电路,很容易想到应该会有同相放大电路,那我们接着来看看同相放大电路又是怎么样的吧。
2
同相放大电路

图中Vn与Vp虚短,
则 Vp = Vn .......................a
因为虚断,反向输入端没有电流输入输出,通过R1和R2 的电流相等,设此电流为I,由欧姆定律得:
I = Vout/(R1+R2) ............b
Vi等于R1上的分压, 即:
Vi = I*R1 .........................c
由abc式得:
Vout = Vi*(R1+R2)/R2
这就是同向放大器的输入输出电压关系了。
3
电压跟随器

当同相放大电路中R1 = R2 = 0 就产生了一种特殊用法,我们称之为电压跟随器,很明显,我们可以知道,它的输入与输出是一样的,你可能会想,既然这样,那我们用它有意义吗?当然有,现实生活中任何一种应用电路都不可能凭空出现,运放电路具有输入阻抗高,而输出阻抗低的特性,使用一级跟随器可以避免电路中由负载的变化而引起输出量的变化,以使负载效应最小化。这样在电路中它就相当于一个隔离器或缓冲器,能保证我们电路功能的稳定。可以理解吧?
4
加法电路

图中,由虚短可知:
Vn= Vp = 0 ..................a
由虚断及基尔霍夫定律(不知道这是啥的可以先不管或百度一下,或者类比一下中学知识并联电路的欧姆定律)可知,通过R2与R1的电流之和等于通过R3的电流,故
(V1 – Vn)/R1 + (V2 – Vn)/R2 = (Vn –Vout)/R3 ......................b
代入a式,b式变为
V1/R1 + V2/R2 = Vout/R3
如果取R1=R2=R3,则上式变为
-Vout=V1+V2,
这就是所谓的加法器了。
有了加法电路,那肯定就少不了减法电路吧,减分电路又是怎么样的呢?现在一起来看看。
5
减法电路

图中由虚断可知,通过R2的电流等于通过R3的电流,同理通过R1的电流等于R4的电流,故有
(V2 – Vp)/R2 = Vp/R3 ................a
(V1 – Vn)/R1 = (Vn - Vout)/R4 ...b
如果R2 = R3, 则
Vp = V2/2 ..................................c
如果R1 = R4, 则
Vn = (Vout + V1)/2 ....................d
由虚短知 Vn = Vp .....................e
所以 Vout = V2-V1 这就是传说中的减法器了。
6
积分电路

图电路中,由虚短知,反向输入端的电压与同向端相等。
由虚断知,通过R的电流与通过C的电流相等。
通过R的电流
i = V1/R
通过C的电流
i = CdUc/dt = -CdVout/dt
所以
Vout = ((-1/(R*C))∫V1dt
输出电压与输入电压对时间的积分成正比,这就是传说中的积分电路了。
若V1为恒定电压U,则上式变换为
Vout = -Ut/(RC)
t 是时间,则Vout输出电压是一条从0至负电源电压按时间变化的直线。
同样的道理,有积分电路就有微分电路,那微分电路又是怎么样的呢,我们一起来看看。
7
微分电路

图中由虚断知,通过电容C和电阻R的电流是相等的。
由虚短知,运放同向端与反向端电压是相等的。则:
Vout = -i * R = -(R*C)dV1/dt
这是一个微分电路。
如果V1是一个突然加入的直流电压,则输出Vout对应一个方向与V1相反的脉冲。
NVIDIA RTX PRO 4500 Blackwell GPU测试分析