时间:2023-07-13 10:08
人气:
作者:admin
相信很多人都会和simulink打交道,用来仿真算法、生成代码、构建plant做测试。simulink的好处就是模块拖过来、一连线就可以用,所见即所得,so easy!为什么还要谈规范呢?
我们建立模型的目的,是为了实现一定的功能。如果是你一个人参与的工作,模型搭建完一段时间后你也许还会回来打开重新看看,解决一下bug、重理一下思路。如果你们是一个团队,每个人做一部分建模的工作,就需要统一大家的建模风格,这样任何一个人的工作都能确保别人在短时间内能理解和使用。如果大家有过代码编程的经历,相信都知道拿到别人的混乱的代码,去理解他背后的设计思想是一件多么痛苦的事情。如果这个别人就是你自己,你在心里就会反复的在问自己当初为什么,为什么!
模型也跟代码一样,只是它是用图形化的方式去表达设计思想而已。没有规矩就不成方圆,合理的统一建模规范,有很多好处,比如:
如果你不知道上述优点的具体含义,你就理解为建模可以更 高大上 、逼格更高就行了。
那具体的建模规范内容有哪些?怎么遵循呢?这就不得不提MAAB了。
MAAB
mathworks自己在官网上已经发布了具体的建模规范,MAAB( MathWorks Automotive Advisory Board)。
这个规范最开始的初衷并不是要弄一个建模规范出来,而是mathworks在汽车行业里有些重要的客户,比如 Ford, Daimler Benz, and Toyota等,他们在使用simulink的过程中,会对mathworks公司提出很多新功能的需求,为了统一他们提需求的规范,建立了MAAB。现在MAAB更新到3.0了,度娘第一屏结果就能找到。
举个栗子
MAAB里面讲了simulink和stateflow的建模规范,100多页,上百条的规范。以后有时间我会挑一些重要的内容写出来。这里给大家举个简单的例子,看看都是哪些类型的建模规范。
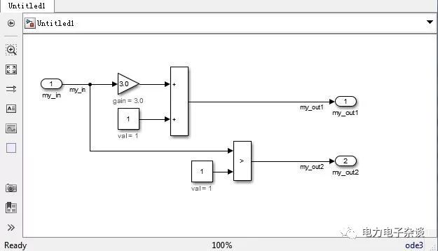
比如项目要实现一个模块,模块的输入是一个模拟量in,模块的输出分两部分,一是out1=3*in+1,二是如果in大于1,就输出真,否则就输出假。
于是很快就得到了下面的模型

这模型很简单吧,这样搭建肯定能实现功能需求,但从建模规范的角度,有很多不合理的地方。修改了一下,得到如下模型,大家可以找找不同。

命名规范
maab中关于文件、路径、变量、信号的命名都有规定。通常来说只能用大小写字母、阿拉伯数字和“_”。最常犯的错误就是用 空格 。可以想想C语言里面,变量命名能加空格吗?用空格对于后期写脚本处理,也会带来麻烦。
当然有的公司自定义的规范里,也不许用"_",那命名就只能用骆驼方法,写成MyIn,MyOut1, MyOut2这样。
信号流向
按照大家的阅读习惯,信号一定要从左到右流动。也即输入口在左边,输出口在右边。读模型的时候,大家的习惯都是先找输入模块,然后再看信号经过了哪些模块的处理,到哪里输出了。

上面的错误例子里面,读者打开模型后,首先要找到正上方的输入口,然后还要看goto连到了哪些from模块,脑子要转一大圈,很费劲,体验感很差。
信号名
对于模型的输入输出口(包括bus、goto等),一定要有明确的命名,这主要是从模型易读性、代码生成、后期验证测试等方面考虑的。

模块名
如果通过模块的外观,就能很明确的知道该模块的功能,那就应该隐藏模块名。比如例子里面的add、constant、compare等模块。
模块参数
重要的模块参数,应该显式的表示出来。比如例子里面的乘法系数3、加法1、比较值1等。
具体的实现方法是,模型点击右键properties->block annotaiton。

有人会问,例子里面的乘法系数不是已经在模块中间显示出来了,为啥还要多此一举?想想这种情况,如果gain的参数不是一个很短的一个数字,如果是3.1414926怎么办?是把gain模块拉得很长来显示吗?

比较模块
尽量用显示比较模块,这样更容易阅读。特别是switch模块,输入最好用u2~=0选项。
错误的例子:

正确的例子:

下一篇:UC3825A芯片建模过程
NVIDIA RTX PRO 4500 Blackwell GPU测试分析