全球最实用的IT互联网信息网站!
AI人工智能P2P分享&下载搜索网页发布信息网站地图
从数学和视觉上展示信号去趋势是如何影响傅里
阅读全文2023-08-16
东软睿驰携手恩智浦共同赋能搭载广汽星灵架构
【IoT毕设】机智云平台+STM32+树莓派的草莓采摘机
Redis RDMA改造方案分析
信号完整性的定义是什么?何为高速差分讯号传
三星半导体宣布突破背面供电技术
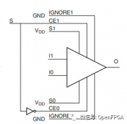
如何仅使用逻辑门和寄存器产生无毛刺输出的时
STM32定时器溢出的工作原理是什么?
运算放大器的由来 运算放大器的应用场景都有哪
阅读全文2023-08-15
从零使用env工具生成gd32f450工程
数十年技术积淀,高通跃龙产品组合直击
英伟达官宣H20恢复中国供应,新款GPU震撼
RZ/A3M 1 GHz微处理器(MPU)数据手册和产品
Nordic 收购 Neuton.AI # Neuton ML 模型解锁 So
CPU | 内存 | 硬盘 | 显卡 | 显示器 | 主板 | 电源 | 键鼠 | 网站地图
Copyright © 2025-2035 诺佳网 版权所有 备案号:赣ICP备2025066733号 本站资料均来源互联网收集整理,作品版权归作者所有,如果侵犯了您的版权,请跟我们联系。