全球最实用的IT互联网信息网站!
AI人工智能P2P分享&下载搜索网页发布信息网站地图
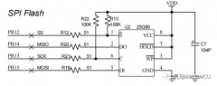
基于MM32F0140的SPI与W25Q80通信
阅读全文2023-09-21
蔚来发布首款手机NIOPhone,为蔚来车主而生的手机
以太网与CAN总线间协议如何转换?
如何实现FFT算法并通过CCS图形窗口查看结果?
井芯微电子PRB0400芯片荣获“中国芯”芯火新锐产
中科曙光发布首款国产高端工业实时仿真计算系
昆仑太科发布支持国产飞腾腾锐D2000芯片的开源
基于神经科学的Numenta介绍
英特尔发布首款基于Intel4的处理器——Meteor Lak
阅读全文2023-09-20
第五代英特尔至强处理器12月14日发布
数十年技术积淀,高通跃龙产品组合直击
英伟达官宣H20恢复中国供应,新款GPU震撼
RZ/A3M 1 GHz微处理器(MPU)数据手册和产品
Nordic 收购 Neuton.AI # Neuton ML 模型解锁 So
CPU | 内存 | 硬盘 | 显卡 | 显示器 | 主板 | 电源 | 键鼠 | 网站地图
Copyright © 2025-2035 诺佳网 版权所有 备案号:赣ICP备2025066733号 本站资料均来源互联网收集整理,作品版权归作者所有,如果侵犯了您的版权,请跟我们联系。