全球最实用的IT互联网信息网站!
AI人工智能P2P分享&下载搜索网页发布信息网站地图
射频电路架构设计方案
阅读全文2023-07-17
TI CC2340再续经典,信驰达无线模块助力低功耗蓝
超表面相控阵天线在卫星通信系统领域的应用方
国内无线频谱分析:电磁波及无线电波段划分
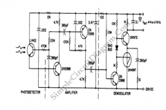
基于L14G2构建的调频光纤接收器电路
阅读全文2023-07-15
开蓝牙耗电吗?蓝牙为什么要叫蓝牙?
ESP32学习笔记:WiFi
射频检波器MS2351M/MS2351D产品概述
华为射频基础知识讲义详解
如何做好网格机房机柜、机架内的空间规划?
QCA9531方案小尺寸无线路由WiFi模块SKW103
常用天线,无源器件有哪些类型(干货分享
如何抓取app数据包 网络抓包原理及实现
谁是5G应用的狮子座?
CPU | 内存 | 硬盘 | 显卡 | 显示器 | 主板 | 电源 | 键鼠 | 网站地图
Copyright © 2025-2035 诺佳网 版权所有 备案号:赣ICP备2025066733号 本站资料均来源互联网收集整理,作品版权归作者所有,如果侵犯了您的版权,请跟我们联系。