全球最实用的IT互联网站!
人工智能P2P分享搜索全网发布信息网站地图标签大全
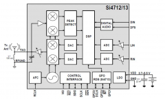
多合一立体声音频FM发射器设计方案解析
阅读全文2021-04-06
为无线模块选择天线的三大关键
高频RFID技术及其应用案例综述
阅读全文2021-04-05
低频RFID技术及其应用案例综述
详谈低频RFID的应用场景和优秀案例
探究基于EM4469射频卡的手持式读写设备的开发
阅读全文2021-04-01
简述NAND闪存的写入限制与发展
解析基于射频芯片AT86RF230实现无线传感器网络节
阅读全文2021-03-31
基于LED的Wi-Fi如何实现?
阅读全文2021-03-27
网速慢如蜗牛?萤石AC+AP无线网络覆盖方案让你“
阅读全文2021-03-25
QCA9531方案小尺寸无线路由WiFi模块SKW103
常用天线,无源器件有哪些类型(干货分享
如何抓取app数据包 网络抓包原理及实现
谁是5G应用的狮子座?
CPU | 内存 | 硬盘 | 显卡 | 显示器 | 主板 | 电源 | 键鼠 | 网站地图
Copyright © 2025-2035 诺佳网 版权所有 备案号:赣ICP备2025066733号 本站资料均来源互联网收集整理,作品版权归作者所有,如果侵犯了您的版权,请跟我们联系。