时间:2025-07-31 09:41
人气:
作者:admin
01、驱动电压的选择
IGBT模块GE 间驱动电压可由不同地驱动电路产生。
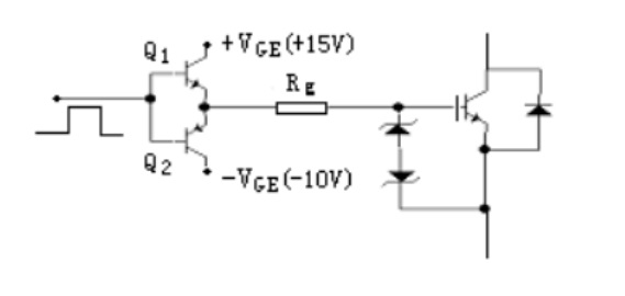
典型的IGBT驱动电路如图5.1 所示。

图5.1 IGBT 驱动电路示意图
Q1,Q2为驱动功率推挽放大,通过光耦隔离后的信号需通过Q1,Q2推挽放大。选择Q1,Q2其耐压需大于50V。选择驱动电路时,需考虑几个因素。由于IGBT输入电容较MOSFET大,因此IGBT关断时,最好加一个负偏电压,且负偏电压比MOSFET大,IGBT负偏压值最好在-5V~―10V之内;开通时,驱动电压最佳值为15V,15V的驱动电压足够使IGBT 处于充分饱和,这时通态压降也比较低,同时又能有效地限制短路电流值和因此产生的应力。若驱动电压低于12V,则IGBT通态损耗较大, IGBT处于欠压驱动状态;若VGE>20V,则难以实现电流的过流、短路保护,影响IGBT可靠工作。
02、栅极驱动功率的计算
由于IGBT是电压驱动型器件,需要的驱动功率值比较小,一般情况下可以不考虑驱动功率问题。但对于大功率IGBT,或要求并联运行的IGBT则需考虑驱动功率。IGBT栅极驱动功率受到驱动电压即开通VGE(on)和关断VGE(off)电压,栅极总电荷QG和开关频率f的影响。
栅极驱动电源的平均功率PAV 计算公式为:
PAV=(VGE(on)+VGE(off))·QG·f
对一般情况:
VGE(on)=15V,VGE(off)=10V
则PAV 简化为:PAV=25×QG×f。
QG为栅极总电荷与CGE有关,从EUPEC的数据资料上可查到。若IGBT并联,则QG是各个IGBT QG之和。f为IGBT开关频率。

龙腾半导体SGT MOSFET LSGT085R018在智慧农业无