时间:2025-08-15 16:13
人气:
作者:admin
牵引逆变器被称为电驱系统的 “心脏”,为车辆行驶提供必需的扭矩与加速度。当前,很多纯电动汽车和混合动力汽车均采用IGBT技术。而碳化硅(SiC)技术的引入,进一步拓展了牵引逆变器效率与性能的边界。尽管 IGBT 和碳化硅都是牵引逆变器系统的可行选择,但逆变器在整个牵引系统中的效率与性能表现,仍受多种因素影响。在牵引逆变器的设计中,转换效率和峰值功率是两大核心考量。本文将聚焦安森美(onsemi) 解决方案的特性和优势展开讲解。
牵引逆变器——功率级
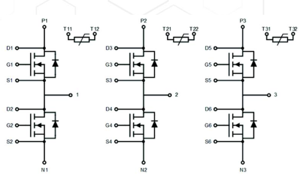
在下面示例的电路图中,MOSFET是逆变器中最关键的元件, 因为它们控制流向电机的电流以产生运动。
逆变器的三个桥臂将直流电池电压转换为三相交流电压和电流, 以驱动电机。 该功率级通过检测运行时的温度、 电压和电流来进行监控和保护。 MCU 输出的控制信号通过带有电气隔离的栅极驱动器以 PWM 信号的形式传输到功率级。
牵引逆变器和电动汽车电机的高效运行, 是良好的 MCU 控制、 快速的信号反馈与精确的感知相结合的结果。 在能量回收制动过程中, MCU 控制会发生变化, 此时相同的功率级将能量从电机(作为发电机运行) 传输回直流电池。
安森美提供三种使用 EliteSiC 器件构建高性能功率级的方法:
使用带有针鳍散热器的单个6-pack架构模块(SSDC39) , 实现最高集成度的解决方案。
使用 3 个半桥模块(AHPM15) , 在保持性能的同时提供更高的设计灵活性。
使用 6 个无封装裸芯形式的 M3e MOSFET, 打造您专属的自定义模块设计。

牵引逆变器用产品
用于牵引逆变器的VE-Trac SiC模块
碳化硅(SiC) 技术通过提升牵引逆变器的效率和性能, 正在引领纯电动汽车的革新。 SiC 提供卓越的效率和峰值功率, 尤其是在更高电压下, 这使其成为对续航里程和性能至关重要的电动车的理想选择。
SSDC39 6-pack功率模块系列采用行业标准封装, 提供更佳的性能、 更好的效率和更高的功率密度。
NVXR17S90M2SPB模块集成了900V 1.7mΩ的SiC MOSFET, 采用6-pack配置的SSDC39封装。
为了便于装配并提高可靠性, 新一代的Press-Fit引脚集成到功率模块的信号终端上。 为实现直接冷却,采用凝胶填充封装技术, 并在底板上集成优化的针鳍散热器。 该模块设计符合 AQG324 车规级标准。

图: SSDC39 功率模块内部的 6-pack MOSFET 配置
新一代 EliteSiC 1200 V M3e MOSFET 技术
安森美高性能的第三代 1200 V SiC MOSFET ——NCS025M3E120NF06X, 采用无封装的 5x5 mm 裸芯形式, 可灵活应用于任何自定义模块设计中。 基于安森美最新一代 SiC MOSFET 技术, M3e 系列具有同类产品中最低的导通电阻, 典型值为
11.0 mΩ(测试条件: VGS = 18 V, ID = 135 A, TJ = 25 ℃) , 使其成为汽车牵引逆变器应用的理想选择。

用于牵引逆变器应用的新型 B2S 和 B6S 功率模块工程样品, 基于全新的1200 V SiC M3e 技术。 B2S 模块采用可烧结的半桥结构, 而 B6S 则是更大尺寸、 集成散热器的6-pack模块。 如需获取这些模块的首批工程样品, 请联系安森美销售团队。
M3e MOSFET 代表了平面技术的最终发展方向, 其晶胞间距相比 M1 系列缩小了超过 60%。

上图: B2S 可烧结半桥模块,尺寸为 58 x 64 x 8.6 mm

右图:配备安森美最新隔离型栅极驱动器的 B2S 驱动板
龙腾半导体SGT MOSFET LSGT085R018在智慧农业无