时间:2025-08-18 10:33
人气:
作者:admin
5G时代智能设备的全面普及,手机、平板、轻薄笔记本等终端产品的性能持续跃升,功耗也随之大幅增加,消费者对便携充电的需求从 “能充” 升级为 “快充、安全、大容量”。快充充电宝作为移动能源的核心载体,近年来市场规模持续扩张,技术迭代加速,而安全与效率的平衡始终是行业发展的核心命题。
01充电宝需求爆发的核心动力
智能设备耗电激增
5G手机的高刷新率、折叠屏的双屏功耗、高性能平板,使得设备续航压力陡增,用户对 30W 以上快充的需求占比超 60%
快充协议全面普及
iPhone 全系支持 PD 20W 快充,华为、小米、OPPO 等品牌旗舰机标配 66W、88W 甚至120W超级快充,直接推动快充充电宝成为 “刚需”
户外场景持续扩容
露营、长途旅行、户外直播等场景的兴起,带动大容量快充充电宝销量增长。
在快充充电宝中,45W和65W(含部分标称 67W 的 PD 协议产品)是中高端市场的两大核心档位,分别瞄准不同用户群体的需求痛点。

02 快充时代的“隐形守护者”
快充技术在提升效率的同时,也对设备安全性提出了更高要求。充电宝起火、爆炸等安全事件偶有发生,根源多为充放电过程中的过压、过流、过热等问题。而保障安全的核心,在于锂电保护板与关键分立器件的协同作用。
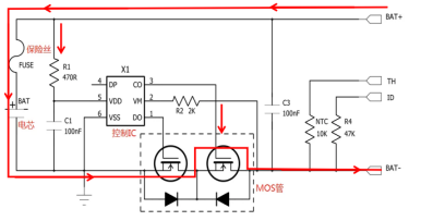
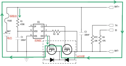
优质的快充充电宝必须配备具备9重保护功能的锂电保护板,涵盖:过压、过流、过充、过放、短路、温度、Reset、浪涌、电磁场保护。

充放电原理图


03分立器件:安全与效率的执行者
保护板的9重功能并非空中楼阁,而是依赖MOS 管、保险丝、NTC 温度传感器、控制 IC 等分立器件的精准协作。
近期多品牌曝出充电宝在快充过程中过热起火的事件,经检测多为核心器件性能不达标所致。
MDD有完整的器件生产线,从材料输入,到成品输出,有完善的质量体系,全程可控。选择MDD的分立器件,都能在提升充电效率的同时,将安全风险降到最低,为用户带来 “高效又安心” 的续航体验。

龙腾半导体SGT MOSFET LSGT085R018在智慧农业无