时间:2025-05-20 10:54
人气:
作者:admin
TL97x系列单、双和四运算放大器的工作电压低至±1.35 V,具有输出轨到轨信号摆动的特点。TL97x的特点使其特别适合便携式和电池供电的设备。极低的噪声和低失真特性使其成为音频前置放大的理想选择。
数据手册:*附件:TL972 双路、12V、12MHz 运算放大器技术手册.pdf
TL971采用节省空间的5针SOT-23封装,由于可以放置在任何地方(外部尺寸为2.8 mm×2.9 mm),简化了电路板设计。
功能
轨到轨输出电压摆幅,
RST时+2.4 V = +2.5 V
极低噪音水平:4 nV/yHz
超低失真:0.003%
高动态特性:12 MHz,5 V/us
工作范围:2.7 V至12 V
闩锁性能超过100 mA/
JSD 78,II类
根据JSD 22测试了静电放电性能
2000-V人体模型
1500-V充电设备型号
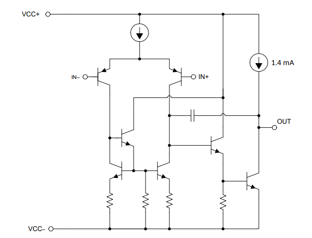
简化示意图
引脚功能和配置
典型特性
功能方框图
应用
便携式设备
音乐播放器
片剂
手机
仪器和传感器
专业音频电路
龙腾半导体SGT MOSFET LSGT085R018在智慧农业无