时间:2025-05-22 09:19
人气:
作者:admin
LMV55x 是采用 TI 先进的 VIP50 工艺的高性能、低功耗运算放大器。这些器件具有 3MHz 带宽,并且电流消耗仅为 37µA(每个放大器),其带宽功率比是同类运算放大器中较为出色的。这些超低功耗放大器具有单位增益稳定性,可为需要宽带宽的超低功耗 应用 提供出色的解决方案。
数据手册:*附件:LMV551 单通道、5.5V、3MHz、低静态电流 (37μA) 运算放大器技术手册.pdf
LMV55x 具有一个轨至轨输出级和一个低至低于接地值的扩展输入共模范围。
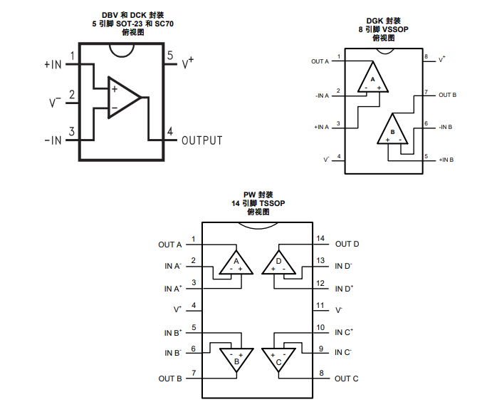
LMV55x 的工作电源电压范围为 2.7V 至 5.5V。这些放大器可在宽温度范围(−40°C 至 125°C)内工作,是汽车 应用、传感器 应用 以及便携式仪表 应用的理想选择。LMV551 采用超小型 5 引脚 SC70 和 5 引脚 SOT-23 封装。LMV552 采用 8 引脚 VSSOP 封装。LMV554 采用 14 引脚 TSSOP 封装。
特性
• 在 3V 和 5V 电压下具有额定性能
• 高单位增益带宽:3MHz
• 电源电流(每个放大器):37µA
• CMRR 93 dB
• PSRR 90 dB
• 转换速率为 1V/µs
• 100kΩ 负载下以电源轨为基准的输出摆幅为 70mV
• 总谐波失真:1kHz、2kΩ 时为 0.003%
• 温度范围:−40°C 至 125°C
引脚功能和配置

典型特性
功能方框图
典型应用
LMV55x 的工作电源电压范围为 2.7V 至 5.5V。这些放大器可在宽温度范围(−40°C 至 125°C)内工作,是汽车应用、传感器 应用 以及便携式仪表 应用的理想选择。
凭借 3MHz 的宽单位增益带宽、低输入参考噪声密度和出色的带宽/电源电流比等特性,LMV55x 非常适合低功耗滤波 应用。有源滤波器拓扑结构(如Figure 29 中所示的 Sallen-Key 低通滤波器)具有广泛用途,可用于设计各种滤波器(切比雪夫、巴特沃斯或贝塞耳)。为了获得最佳结果,放大器的带宽必须是滤波器频率带宽的八到十倍。
不遵守这一准则可能导致放大器出现相移和过早滚降。特别是 Sallen-Key 拓扑结构可用于通过使用正反馈来抑制不需要的频率范围,从而获得大范围的 Q。
应用
• 有源滤波器
• 便携式设备
• 汽车
• 电池供电型系统
• 传感器和仪表
龙腾半导体SGT MOSFET LSGT085R018在智慧农业无