时间:2025-06-09 14:27
人气:
作者:admin
AiP805X系列电路是专门为视频、高速信号处理设计的轨到轨输入、输出的电压反馈运算放大器,单位增益带宽高达250MHz、转换速率为180V/us。
主要特点

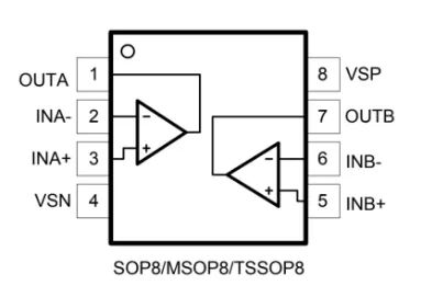
引脚排列图

AiP8051

AiP8052

AiP8053

AiP8054

AiP8059
应用领域
AiP805X在红外触摸框的应用

红外触摸屏是利用横竖交叉密布的红外线矩阵来检测并定位用户的触摸。该应用在显示器的前面安装一个四边排布红外发射管和红外接收管的电路板外框,通过触摸屏幕时挡住经过该位置的横竖两条红外线,来判断出触摸点在屏幕的位置。
红外触摸框应用框图如下:

中微爱芯可匹配物料如下:

结语
中微爱芯设计的AiP805X系列轨到轨高速运算放大器,拥有宽带宽、高压摆率,低噪声等性能优势,可替代OPA354、OPA2354、OPA4354等型号。
中微爱芯高速运放系列产品线,为高速信号系统设计提供从信号采集,处理到传输的全链路支持,更多详情欢迎咨询业务人员!
关于中微爱芯
无锡中微爱芯电子有限公司成立于2004年,是一家以集成电路设计、测试、方案开发、销售和服务为主的高新技术企业,是工信部认定的集成电路设计企业,是国家鼓励的重点集成电路设计企业。产品已形成MCU、LCD显示、LED显示、通用逻辑、信号链、马达&栅驱动、功率器件、电源、音响、遥控器、通信、配套等多个系列几千款产品,覆盖消费电子、网通产品、工业设备、新能源、汽车电子等多个领域。
龙腾半导体SGT MOSFET LSGT085R018在智慧农业无