时间:2025-05-15 10:47
人气:
作者:admin
THS4521、THS4522和THS4524系列器件是非常低功耗的全差分放大器,具有轨到轨输出和包括负轨的输入共模范围。这些放大器专为功耗是关键参数的低功耗数据采集系统和高密度应用而设计,在音频应用中提供卓越的性能。
数据手册:*附件:THS4522 极低功耗双通道轨到轨输出全差动放大器技术手册.pdf
该系列包括单FDA(THS4521)、双FDA(TH84522)和四FDA(THS45 24)版本。
这些全差分放大器具有精确的输出共模控制,在驱动模数转换器(ADC)时允许直流耦合。这种控制,再加上负轨以下的输入共模范围以及轨到轨输出,允许单端接地参考信号源之间的轻松接口。此外,这些器件非常适合仅使用单个+2.5V至+5V和接地电源来驱动逐次逼近寄存器(SAR)和Δ∑(Δ∑)ADC。
THS4521、THS4522和THS4524系列全差分放大器的特点是可在-40°C至+85°C的整个工业温度范围内运行。
功能
全差分架构
带宽:145 MHz(Ay=1 VN)
压摆率:490V/us
HD2:-133dBc,10 kHz(1 VRMS,R,=1 kΩ)
HD3:-141dBc,10 kHz(1 VRMS,R,=1 kΩ)
输入电压噪声:4.6 nVNHz(f=100 kHz)
Thd+N:-112dBc(0.00025%),在1千赫(22千赫)时
BW,G=1,5 VPP)
开环增益:119分贝(直流)
NRL-负导轨输入
RRO-Rail-to-Rail输出
输出共模控制(低失调)
电源:
-电压:+2.5 V(+1.25 V)至+5.5 V(+2.75 V)
电流:1.14马赫
掉电能力:20μA(典型)
引脚功能和配置

典型特性
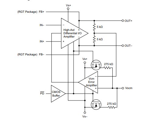
功能方框图
应用程序
低功耗合成孔径雷达和Δ∑模数转换器驱动器
低功耗差动驱动器
低功耗差分信号调理
低功耗、高性能差分音频
放大器
龙腾半导体SGT MOSFET LSGT085R018在智慧农业无