时间:2025-05-16 10:56
人气:
作者:admin
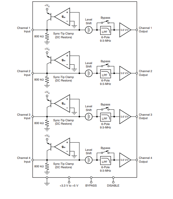
THS7375采用革命性的互补硅锗(SiGe)BiCom3X工艺制造,是一款低功耗、单电源、3V至5V四通道集成视频缓冲器。它包含一个六阶巴特沃斯滤波器(可以绕过),可用作数模转换器(DAC)重建滤波器或模数转换器(ADC)抗混叠滤波器。9.5-MHz滤波器是SDTV视频的完美选择,包括复合(CVBS)、S-video、Y'U'V'、G'B'R'(R'G'B')、Y'P'R 480i/576i和SCART系统。
数据手册:*附件:THS7375 具有 15 阶滤波器和 6dB 增益的 4通道 SDTV 视频放大器技术手册.pdf
作为THS7375灵活性的一部分,输入可以配置为交流或直流耦合输入。320 mV的输出电平偏移允许在0-V输入的输出端实现全同步动态范围。交流耦合模式包括用于同步CVBS、Y'和G'B'R'信号的透明同步尖端箝位选项。通过在VS+上添加外部电阻器,可以很容易地实现C'/P'B/P'R通道的交流耦合偏置。
THS7375是所有视频缓冲应用的完美选择。其轨对轨输出级具有5.6-V/V增益,可实现交流和直流线路驱动。这种架构使THS7375成为DaVinci™处理器的理想选择。每个通道驱动两条线路或75Ω负载的能力,使视频线路驱动器具有最大的灵活性。3.3V和0.1-µA禁用电流下的9.8mA总静态电流使其成为USB供电、便携式或其他电源敏感应用的绝佳选择。
THS7375采用TSSOP-14封装,符合无铅和绿色(RoHS)标准。
特征
四个用于CVB的SDTV视频放大器、。
S-Video,Y ' P ' eP ' R 480 i576 i,Y ' U ' V ',GB ' R '
(R ' G ' B '),或SCART
集成低通过滤器:
第六-0 rder 9.5-MHz(-3DB)Butterworth
--0.1-分贝带宽(6 MHz)
8 MHz时-1-分贝通带带宽
27 MHz时-54-分贝衰减
多功能输入偏置

典型特性
功能方框图
应用
机顶盒输出视频缓冲
便携式媒体播放器视频缓冲
安全/监控系统
DaVinci/OMAP/DMxxx视频缓冲
龙腾半导体SGT MOSFET LSGT085R018在智慧农业无