时间:2025-05-16 14:23
人气:
作者:admin
上篇我们全面介绍了运算放大器的各种使用方式,本篇我们来摸清一下运算放大器还有哪些“秉性”,也就是它的电气特性。
当运算放大器用作放大器时,共模输入电压范围表示其正常运行时的输入电压范围。当运算放大器用于放大来自传感器或其它器件的微小信号时,传感器分辨率对传感器的作用相当于输入补偿电压或共模输入信号抑制比(CMRR)对运算放大器产生的影响。最小分辨率取决于噪声量。

图1:内部噪声较大的运算放大器

图2:输入补偿电压的影响
输入补偿电压
在实际应用中,输入补偿电压乘以闭环增益(ACL)后会被加入输出电压中。因此,在传感器电路情况下,最大输入补偿电压必须低于其最小灵敏度。

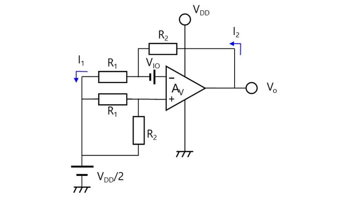
图3:输入补偿电压的测试电路
我们来看下输入补偿电压为VIO的运算放大器。如图3所示的输入补偿电压测试电路,可将该运算放大器视为理想的运算放大器,外部VIo电压源连接至VIN(-)。VIN(+)电压变为VDD/2。根据虚拟短路概念,VIN(-)电压也变为VDD/2。因此,R1与R2交叉处的电压变为VDD/2-VIO。在理想运算放大器情况下,I1=I2。,VIO=(VDD/2-VO)×R1/(R1+R2)。请注意,电阻器有一定的容限。如果超出系统的容限,则需修改电路结构,以减少输入补偿电压的影响或选用输入补偿电压较低的运算放大器。
交流耦合电路是能降低输入补偿电压影响的最简单的电路形式。图4显示了一个交流耦合反相放大器。当电容器C1以这种方式连接时,由于输入补偿电压引起的电流不会流经R1,因此对VO的影响较小。

图4:交流耦合反相放大器
共模输入信号抑制比
差分放大器的共模输入信号抑制比(CMRR)是一个指标,用于表示其抑制在VIN(-)端和VIN(+)端处具有相同振幅和相位的两个信号或噪声(共模噪声)的能力。共模输入信号抑制比的测试电路如图5所示。共模输入电压范围(CMVIN)是指在规定条件下满足规定CMRR的输入电压多范围。

图5:CMRR和CMVIN的测试电路
其中,VIN1和VIN2分别表示CMVIN的最大值和最小值,VOUT1和VOUT2分别表示VIN1端和VIN2端的输出(VO)电压。从图5可以看出,输入补偿电压(VIO)是特殊条件(VIN=VDD/2)下的CMRR值。
运算放大器的内部噪声
运算放大器用于放大来自传感器或其它器件的微小信号时,如有噪声加至这个微小信号中,也会被运算放大器放大。因此,噪声会降低传感器的灵敏度和精度。与运算放大器相关的噪声,分为由电磁干扰和外部器件导致的外部噪声以及内部噪声。
我们将两种内部噪声定义为等效输入噪声:
• 取决于频率的1/f噪声:电阻器产生的热噪声以及半导体中自由移动的载流子产生的散粒噪声;
• 与频率无关的白噪声:由晶体缺陷导致的闪烁噪声以及突发噪声
1/f噪声和白噪声均出现在运算放大器的输入端,并且都被定义为等效输入噪声电压。等效输入噪声被增益放大并出现在输出端。需特别注意低频噪声,因为它的电压取决于频率。为放大微小信号,会级联多个放大器以防止异常振荡。
噪声增益和信号增益
运算放大器中产生的噪声增益可能不同于信号增益,可以如下方式使用噪声增益的概念:
• 将等效输入噪声转换为输出噪声
•计算输入补偿电压对输出的影响
•计算振荡余量
接下来,让我们重点来看看振荡余量。除振荡器外,振荡是指信号在非预期频率上发生的意外波动。意外噪声等振荡来源通过反馈回路进行循环,逐渐演变为振荡。

图6:增加振荡余量的电路示例
振荡来源为随机噪声。必须根据噪声增益确定振荡抗扰度,这一点很重要。噪声增益的概念可用于为振荡提供余量(即增加噪声增益)。图6显示了使用反相放大器在不改变信号增益的情况下增加振荡余量的一个示例。
至此,我们向您全部分享了运算放大器的基本定义、内部原理、使用方式和电气特性等内容,希望对您的系统电路设计能有所帮助和启发。
关于东芝电子元件及存储装置株式会社
东芝电子元件及存储装置株式会社是先进的半导体和存储解决方案的领先供应商,公司累积了半个多世纪的经验和创新,为客户和合作伙伴提供分立半导体、系统LSI和HDD领域的杰出解决方案。
东芝电子元件及存储装置株式会社十分注重与客户的密切协作,旨在促进价值共创,共同开拓新市场,期待为世界各地的人们建设更美好的未来并做出贡献。
龙腾半导体SGT MOSFET LSGT085R018在智慧农业无