时间:2025-06-01 13:55
人气:
作者:admin
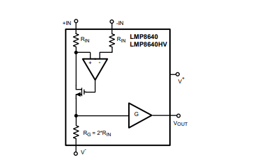
LMP8640、LMP8640-Q1和LMP8640HV是精密电流感测放大器,在存在电源电压范围为2.7V至12V的高输入共模电压的情况下,检测感测电阻器两端的小差分电压。
数据手册:*附件:LMP8640HV -2V至76V、950kHz电流感应放大器技术手册.pdf
LMP8640和LMP8640-Q1接受共模电压范围为-2V至42V的输入信号,而LMP8640HV接受共模电压范围为-2V到76V的输入电压。LMP864 0和LMP864 0HV具有固定增益,适用于需要温度精度的应用。LMP8640和LMP8640HV有三种不同的固定增益,分别为20V/V、50V/V和100V/V,可确保低至0.25%的增益精度。输出被缓冲,以提供低输出阻抗。这种高端电流感测放大器非常适合感测和监测直流或电池供电系统中的电流,在温度范围内具有出色的交流和直流规格,并将电流感测回路中的误差降至最低。LMP8640和LMP8640HV是工业和消费应用的理想选择,而LMP8640-Q1是LMP8640的AEC-Q100一级合格版本,适用于汽车应用。LMP8640-x采用SOT-23-6封装。**
特征**
典型值,T= 25°C
高共模电压范围
LMP 8640:-2 V至42 V
LMP 8640-Q1:-2 V至42 V,AEC-Q100
LMP 8640高压:-2 V至76 V
电源电压范围:2.7 V至12 V
放大选项:20 V/; 50 V/; 100 V/V
最大收益误差:0.25%
低失调电压:900 yV
输入偏置电流:13 μA
PSRR:85分贝
CMRR(2.1V至42 V):103分贝
温度范围:-40 ° C至125°C
6-针薄SOT-23封装
引脚功能和配置
典型特性
功能方框图
应用
高侧电流感测
车辆电流测量
电机控制
电池监测
遥感
电源管理
龙腾半导体SGT MOSFET LSGT085R018在智慧农业无