时间:2025-06-01 14:14
人气:
作者:admin
LM732xx 器件是具有宽工作电压范围和高输出电流的轨至轨输入和输出放大器。LM732xx 系列非常高效,能实现 18V/µs 的压摆率和 20MHz 的单位增益带宽,同时每个运算放大器只需 1mA 的电源电流。LM732xx 器件的性能在 2.7V、±5V 和 ±15V 的条件下完全符合运行规格。
数据手册:*附件:LM7321 单路、32V、20MHz 运算放大器技术手册.pdf
LM732xx 器件设计用于驱动无限容性负载而不产生振荡。所有 LM7321x 和 LM7322x 器件均在 −40°C、125°C 和 25°C 的条件下以现代化的自动测试设备经过测试。−40°C 至 125°C 范围内的高性能、详细的规格和广泛的测试使这些器件适用于工业、汽车和通信 应用。
较大的轨至轨输入共模电压范围以及此宽电压范围内的 50dB 共模抑制能力,让这些器件可实现高侧和低侧感应。大多数器件参数对电源电压不敏感,因此这些器件更便于用在电源电压可能出现变化的场合,例如汽车电气系统和电池供电型设备。这些放大器具有真正的轨至轨输出,能够在低失真(0.05% THD+噪声)的情况下以超越任一电源轨的最小余量电压 (300mV) 提供可观的电流量 (15mA)。
每种器件都有多种封装选项。这两种器件的标准 SOIC 版本可以轻松升级现有设计。LM7322x 采用节省空间的 8 引脚 VSSOP 封装。LM7321x 采用小型 SOT-23 封装,因此可轻松将该器件放置在传感器附近以便获得更好的电路性能。
特性
• VS = ±15V,TA = 25°C(典型值,除非另有说明)
• 宽电源电压范围:2.5V 至 32V
• 输出电流:+65mA/−100mA
• 增益带宽积:20MHz
• 压摆率:18V/µs
• 容性负载容差无限制
• 输入共模电压越过电源轨 0.3V
• 输入电压噪声:15nV/√Hz
• 输入电流噪声:1.3pA/√Hz
• 电源电流/通道:1.1mA
• 失真 THD+噪声:−86dB
• 温度范围:−40°C 至 125°C
• 在 −40°C、25°C 和 125°C 温度下以 2.7V、±5V 和±15V 的电压经过测试。
• LM732xx 是通过了 AEC-Q100 1 级认证的汽车级产品。
引脚功能和配置
典型特性
功能方框图
典型应用
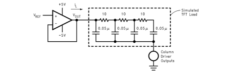
图 67 显示了一种将 LM732xx 用作 TFT LCD 平板中的 VCOM 信号缓冲放大器的典型应用:
应用
• 驱动 MOSFET 和功率晶体管
• 电容式接近传感器
• 驱动模拟光耦合器
• 高侧感应
• 地下电流检测
• 光电二极管偏置
• 在 PLL 中驱动变容二极管
• 宽电压范围的电源
• 汽车
• 国际电源
龙腾半导体SGT MOSFET LSGT085R018在智慧农业无