时间:2025-05-06 15:07
人气:
作者:admin
THS4524 是一款低功耗、完全差分运算放大器,此放大器带有轨到轨输出和一个包括负电源轨在内的输入共模范围。 这个放大器设计用于低功耗数据采集系统和高密度应用,在此类应用中功率耗散是一个关键参数,此放大器还在音频应用中提供出色的性能。
数据手册:*附件:THS4524-EP 极低功耗四通道轨到轨输出全差动放大器产品的性能得到强化技术手册.pdf
这个完全差分运算放大器特有精准的输出共模控制,此控制可在驱动模数转换器 (ADC) 时实现 dc 耦合。 与一个低于负电源轨和轨到轨输出的输入共模范围相耦合,这个控制可以很容易的实现与单端、地面基准信号源对接。 除此之外,THS4524 非常适合用于驱动逐次逼近寄存器 (SAR) 和只使用一个单 +2.5V 至 +5V 和地面电源的三角积分 (ΔΣ) ADC。
THS4524 完全差分运算放大器可在 –55°C 至 125°C 的完全工业温度范围内运行。
特性
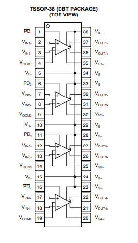
引脚功能和配置

典型特性

龙腾半导体SGT MOSFET LSGT085R018在智慧农业无