时间:2025-05-08 11:00
人气:
作者:admin
AFE031 是一款低成本、集成式电力线通信 (PLC) 模拟前端 (AFE) 器件,能够在 DSP 或微控制器的控制下,以容性或变压器耦合的方式连接至电力线。该器件非常适合于驱动需要为无功负载提供高达 1.5A 电流的低阻抗线路。该集成式接收器能够检测低至 20µVRMS 的信号,并且支持各种增益选项以适应不同的输入信号条件。此单片集成电路可为要求严苛的电力线通信 应用中空间受限音频系统的绝佳选择。
数据手册:*附件:AFE031 适用于驱动低阻抗线路的 1500mA、集成电力线通信 (PLC) 模拟前端技术手册.pdf
AFE031 变送功率放大器可由 7V 至 24V 的单电源供电。在最大输出电流情况下,宽输出摆幅可通过标称 15V 的电源提供 12VPP (IOUT = 1.5A) 的电压能力。该模拟和数字信号处理电路由 3.3V 单电源供电。
AFE031 在过热和短路情况下会受到内部保护。它还提供一个可调节电流限值。提供一个中断输出用于标示电流限值和热界限。还有一个关断引脚,此引脚用于快速将此器件置于最低功率的状态下。通过此四线制串行外设接口,或者 SPI™,每一个功能块可以开启或者关闭以优化功率耗散。
AFE031 采用热增强型、表面贴装 PowerPAD 封装 (QFN-48)。额定工作扩展工业结温范围为 –40°C 至 +125°C。
特性
• 具有热保护和过流保护功能的集成式电力线驱动器
• 符合 EN50065-1 标准
• 通过 PRIME 认证
• 大输出摆幅:1.5A 电流时为 12VPP
(电源电压为 15V)
• 低功耗:
15mW(接收模式)
• 可编程 Tx 和 Rx 滤波器
• 支持 EN50065 CENELEC 频带 A、B、C、D
• 支持 FSK、S-FSK 和 OFDM
• 支持 PRIME、G3、IEC 61334
• 接收灵敏度:20μVRMS,典型值
• 可编程 Tx 和 Rx 增益控制
• 四线串行外设接口
• 两个集成式过零检测器
• 双线收发器缓冲器
• 48 引脚 QFN PowerPAD™封装
• 扩展结温范围:
–40°C 至 +125°C
引脚功能和配置

典型特性
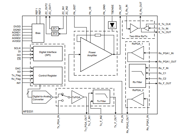
功能方框图
应用
• 电子仪表
• 照明
• 光伏
• 试验线路
龙腾半导体SGT MOSFET LSGT085R018在智慧农业无