时间:2025-05-09 11:18
人气:
作者:admin
OPA171、OPA2171 和 OPA4171 (OPAx171) 是一系列 36V、单电源、低噪声运算放大器,这些放大器能够在 2.7V (±1.35V) 至 36V (±18V) 的电源电压范围内运行。这些器件采用微型封装,并提供低失调电压、低漂移、低带宽和低静态电流。单通道、双通道和四通道版本均具有相同的技术规格,可更大程度地提高设计灵活性。
数据手册:*附件:OPA4171 四通道、36V、3MHz、低功耗运算放大器技术手册.pdf
与大多数只有一个额定电源电压的运算放大器不同,OPAx171 系列的额定电压范围为 2.7V 至 36V。超出电源轨的输入信号不会导致相位反转。OPAx171 系列可在容性负载高达 300pF 时保持稳定。在正常运行时,输入电压范围为负电源轨 - 100mV 至正电源轨 ± 2V。这些器件可在比正电源轨电压高 100mV 的满轨到轨输入电压下运行,但在正电源轨电压 ± 2V 范围内运行时,性能会有所下降。
OPAx171 系列运算放大器的额定工作温度范围为 -40°C 至 +125°C。
特性
• 电源电压范围:2.7V 至 36V,±1.35V 至 ±18V
• 低噪声:14nV/√Hz
• 低温漂:±0.3µV/°C(典型值)
• RFI 滤波输入
• 输入范围包括负电源电压
• 输入范围包括正电源电压
• 轨到轨输出
• 增益带宽:3MHz
• 低静态电流:每个放大器 475µA
• 高共模抑制:120dB(典型值)
• 低输入偏置电流:8pA
• 业界通用封装:
– 5 引脚 SOT-23
– 8 引脚 SOIC
– 14 引脚 TSSOP
• 微型 封装:
– 采用 SOT-553 封装的单通道版本
– 采用 VSSOP-8 封装的双通道版本
引脚功能和配置
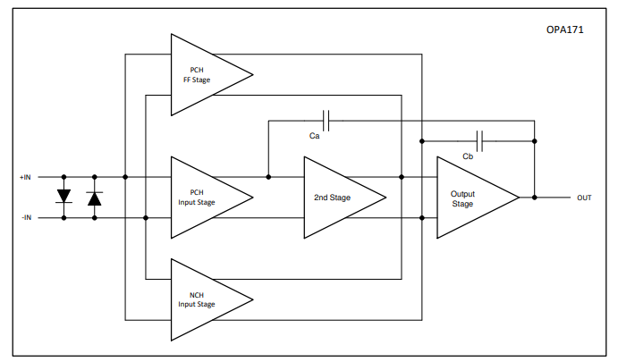
典型特性
功能方框图
应用
• 电源模块内的跟踪放大器
• 商用电源
• 传感器放大器
• 桥接放大器
• 温度测量
• 应变仪放大器
• 精密积分器
• 电池供电仪表
• 测试设备
龙腾半导体SGT MOSFET LSGT085R018在智慧农业无