时间:2025-05-09 13:55
人气:
作者:admin
LMP8278是一个固定14倍增益的精密电流感测放大器。该部分在存在高共模电压的情况下放大和滤波小差分信号。该部件由单个5V电源电压运行。输入共模电压范围为-2V至+28V,增益非常精确(±0.5%)。该部件可以处理-2V至+40V范围内的共模电压,规格放宽。LMP8278是线性单片精密(LMP)系列的成员,是单向电流传感应用的理想选择。除非另有说明,否则电气特性表中显示的参数值经过100%测试,所有粗体值也经过100%温度测试。
数据手册:*附件:LMP8278Q-Q1 具有直列式滤波器功能的、AEC-Q100、-2V至40V、分级电流感应放大器技术手册.pdf
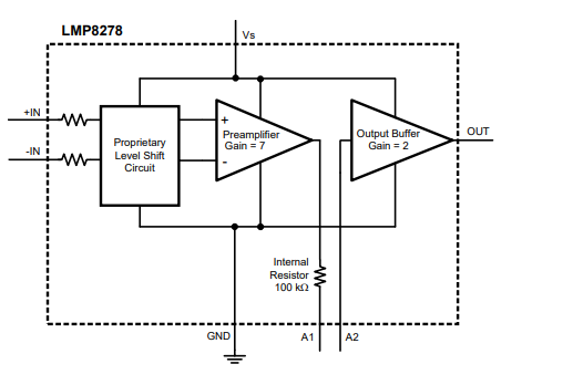
该部件具有14倍的精确增益,在大多数目标应用中足以将ADC驱动到满量程值。固定增益在两个单独的级中实现,一个是增益为7x的前置放大器,一个增益为2x的输出级缓冲放大器。信号路径的两级之间的连接在两个引脚上引出,以便在输出缓冲放大器周围创建额外的滤波网络。这些引脚也可用于具有不同增益的替代配置,如中所述。
LMP8278Q为汽车市场整合了增强的制造和支持流程,包括缺陷检测方法。可靠性鉴定符合AEC Q100标准中规定的要求和温度等级。
特征
TCVOS±15μV/c最大
CMRR最小80分贝
最大输入偏置电压±2 mV
CMVR-2V至40V
工作环境温度范围-40°C
至125°C
单一供应操作
最小/最大限值100%测试,除非
另有说明
LMP8278Q在汽车AEC-Q100中提供
1级合格版本
引脚功能和配置
典型特性
功能方框图
应用
高端和低端驱动器配置
电流传感
汽车燃油喷射控制
变速箱控制
动力转向
电池管理系统
龙腾半导体SGT MOSFET LSGT085R018在智慧农业无