时间:2025-05-10 09:51
人气:
作者:admin
LMP8350器件是一种超低失真全差分放大器,专为驱动高性能精密模数转换器(ADC)而设计。作为PowerWise系列的一部分,一个独特的模式启用引脚允许用户从三种不同的操作模式中进行选择,以功耗换取动态性能。
数据手册:*附件:LMP8350 具有可选功率模式的超低失真全差动精密ADC驱动器技术手册.pdf
高功率模式经过优化,可实现最高的交流性能。低噪声、宽带宽和快速转换速率使LMP8350成为驱动输入采样率为10 MHz或更低的24位ADC的理想选择。中等功率模式针对精确的直流性能进行了优化,可用于驱动输入采样率为6 MHz或更低的24位ADC。低功耗模式是功率敏感应用中交流性能和静态电流之间的权衡。禁用模式完全关闭放大器,以进一步节省待机功耗。
该设备的全差分架构允许轻松实现单端到全差分输出转换。在高功率模式下,使用由±3.3V轨道供电的放大器驱动3-Vpp、1kHz的输出正弦波,产生0.000098%THD+N。
LMP8350是LMP精密放大器系列的一部分,采用8引脚SOIC封装,工作温度范围为-40°C至+85°C。
功能
差动输入和输出
带关机的三电平电源设置
超低HD2/HD3和THD+N失真
可调输出共模电平
全平衡差分体系结构
单电源或双电源运行
工作电压范围:4.5伏至12伏
电源电流3 mA至13 mA
总THD+N在1千赫时为0.000097%
HD2/HD3失真,1 kHz<-124 dBc
带宽118 MHz
稳定到0.1%20 ns
低偏置漂移0.4μV/C
偏置电压80YV
电压噪声4.6 nV/hz
工作温度范围-40‘C至+85°C
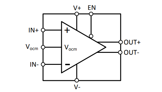
引脚功能和配置
典型特性
功能方框图
典型应用
应用程序
高分辨率差分ADC驱动器
便携式仪器
精密直线驱动器
龙腾半导体SGT MOSFET LSGT085R018在智慧农业无