时间:2025-05-12 10:47
人气:
作者:admin
OPA141、OPA2141 和 OPA4141放大器系列为低功耗 JFET输入放大器,具有优良的漂移特性和低输入偏置电流。 轨至轨输出摆幅与包括了V―的输入范围使得设计人员不仅能够充分利用 JFET 放大器的低噪声特性,同时还能实现与新式的单电源、高精度模数转换器 (ADC) 和数模转换器 (DAC) 的连接。
数据手册:*附件:OPA141 单通道、10MHz、单电源、低噪声、JFET精密放大器技术手册.pdf
OPA141 实现了10MHz 的单位增益带宽和 20 V/μs 的转换速率,而仅消耗 1.8mA(典型值)的静态电流。 该器件采用 4.5V 至 36V 的单工作电源或±2.25V 至±18V 的双工作电源。
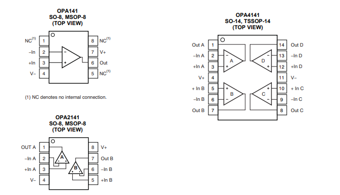
所有版本的技术规格均针对-40℃ 至+125℃ 的温度范围而拟订,以便在最严苛的环境中使用。 OPA141(单通道器件)和 OPA2141(双通道器件)版本采用MSOP-8 和 SO-8 封装;OPA4141(四通道器件)则采用 SO-14 和 TSSOP-14 封装。
特性

典型特性
应用
电池供电型仪器
工业控制
医疗仪表
光电二极管放大器
有源滤波器
数据采集系统
便携式音频
自动测试系统
龙腾半导体SGT MOSFET LSGT085R018在智慧农业无