时间:2025-04-24 11:39
人气:
作者:admin
该 36V TLVx171 系列为成本受限的工业和个人电子产品系统提供一种低功耗选项,此类系统需要使用一个抗电磁干扰 (EMI) 的低噪声、单通道电源运算放大器,其工作电压范围为 2.7V (±1.35V) 至 36V (±18V)。单通道 TLV171、双通道 TLV2171 和四通道 TLV4171 可为电源提供低偏移、漂移和静态电流,同时兼顾高带宽特性。该系列器件采用多种适用于空间受限系统的微型封装,各种封装的技术规范相同,能够最大程度提升设计灵活性。
数据手册:*附件:TLV171 适用于成本敏感型应用的单路、36V、3MHz、低功耗运算放大器技术手册.pdf
与多数仅在单一电源电压下额定运行的运算放大器不同,TLVx171 系列的额定运行电压范围为 2.7V 至 36V。超过电源轨的输入信号不会导致相位反转。TLVx171 系列在容性负载高达 200pF 时可保持稳定。输入信号可在负电源轨以下 100mV 到正电源轨以上 2V 范围内保持正常运行。此类器件可在高于正电源轨电压 100mV 的满轨到轨输入电压下运行,但在正电源轨电压 ±2V 下运行时,性能会有所下降。
TLVx171 运算放大器系列额定运行温度范围为 -40°C 至 +125°C。
特性
• 电源电压范围:2.7V 至 36V,±1.35V 至 ±18V
• 低噪声:在 1 kHz 时为 16 nV/√Hz
• 低零漂:±1μV/°C(典型值)
• 电磁干扰 (EMI) 滤波器和内部射频 (RF)
• 输入范围包括负电源
• 单位增益稳定:200pF 容性负载
• 轨至轨输出
• 增益带宽:3MHz
• 低静态电流:每个放大器 525µA
• 高共模抑制:105dB(典型值)
• 低偏置电流:10pA
引脚功能和配置
典型特性
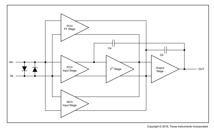
功能方框图
应用
• 传感器
• 点钞机
• AC-DC 转换器
• 电源模块
• 逆变器
• 测试设备
• 电池供电的仪器
• 薄膜晶体管 (TFT) - 液晶显示屏 (LCD) 驱动电路
• 有源滤波器
龙腾半导体SGT MOSFET LSGT085R018在智慧农业无