时间:2025-04-28 09:58
人气:
作者:admin
ALM2402-Q1 是一款具有保护功能的双路高电压、高电流运算放大器,非常适合用于驱动低阻抗和/或高等效串联电阻 (ESR) 的容性负载。 ALM2402-Q1 由 5.0V 至 16V 范围内的单电源或分离电源供电运行,可提供高达 400mA 的直流输出。
数据手册:*附件:ALM2402-Q1 具有高电流输出的双路运算放大器技术手册.pdf
每个运算放大器均具有过热标志以及过热关断功能。 该器件还为每个输出级提供了独立的电源引脚,允许用户对输出施加较低电压以限制 Voh,从而限制片上功耗。
ALM2402 提供有 12 引脚无引线 DRR 封装和 14 引脚带引线散热薄型小外形尺寸 (HTSSOP) 封装(预览)。 这两种封装均包含导热焊盘,有助于散热。 而且这两种封装的热阻均非常低,能够以最低的芯片温升实现最佳电流驱动能力, 从而使客户在恶劣的温度条件下也能够获得较高的驱动电流。 可从下图中确定器件的最大功耗。
特性
引脚功能和配置
典型特性
功能方框图
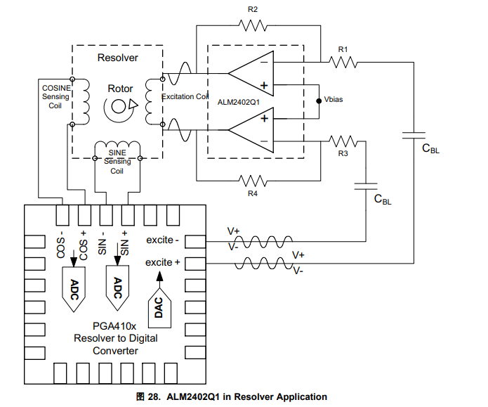
典型应用
龙腾半导体SGT MOSFET LSGT085R018在智慧农业无