时间:2025-04-28 11:21
人气:
作者:admin
OPA171-Q1 系列器件是 36V 单电源低噪声运算放大器,能够在 2.7V (±1.35V) 至 36V (±18V) 的电源电压范围内运行。该系列采用多种封装,并且具有低偏移、低漂移以及低静态电流特性。单通道、双通道和四通道版本均具有相同的技术规格,可最大程度地提高设计灵活性。
数据手册:*附件:OPA2171-Q1 汽车级、双路、36V、3MHz、低功耗运算放大器技术手册.pdf
大多数运算放大器仅有一个指定的电源电压,OPAx171-Q1 系列则有所不同,其可在 2.7V 至 36V 电压范围内可额定运行。超过电源轨的输入信号并不会导致反相。OPAx171-Q1 系列器件与高达 300pF 的容性负载搭配使用时可保持稳定。输入可在负电源轨以下 100mV 到顶轨以上 2V 范围内正常运行。该器件可在正电源轨之上 100mV 轨到轨满输入电压下运行,但在正电源轨 2V 范围内运行时会降低性能。
OPAx171-Q1 运算放大器系列额定运行温度范围为 -40°C 至 +125°C。
特性
• 符合汽车应用要求
• AEC-Q100 测试指导结果如下:
– 温度等级 1:
–40°C 至 +125°C 环境工作温度范围
– 器件 HBM ESD 分类等级:
• OPA171-Q1 的等级为 3A
• OPA4171-Q1 的等级为 2
– 器件 CDM ESD 分类等级
• OPA171-Q1 TLV171-Q1 的等级为 C4A
• OPA2171-Q1 的等级为 C6
• OPA4171-Q1 的等级为 C6
• 电源电压范围:
– 单电源:2.7V 至 36V
– 双电源 ±1.35V 至 ±18V
• 低噪声:1kHz 时为 14 nV/√Hz
• 低温漂:±0.3µV/°C(典型值)
• 输入范围包括负电源
• 输入范围运行至正电源,性能降低
• 轨到轨输出
• 增益带宽:3MHz
• 低静态电流:每个放大器 475µA
• 高共模抑制:120dB(典型值)
• 低输入偏置电流:10pA
• 行业标准封装:
– 5 引脚 Small-Outline Transistor SOT-23 (DBV)封装
引脚功能和配置
典型特性
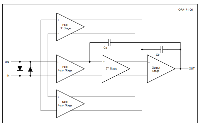
功能方框图
应用
• 电源模块内的跟踪放大器
• 商用电源
• 传感器放大器
• 桥接放大器
• 温度测量
• 应力计放大器
• 精密积分器
• 电池供电仪表
• 测试设备
龙腾半导体SGT MOSFET LSGT085R018在智慧农业无