时间:2025-05-01 15:23
人气:
作者:admin
LMH3401 是一款针对射频 (RF)、中频 (IF) 或高速时域应用进行优化的超高性能差分放大器。 此器件非常适合驱动模数转换器 (ADC) 时需要进行单端到差分转换的直流耦合或交流耦合应用。 LMH3401 在单端输入到差分输出模式或差分输入到差分输出模式下工作时产生的二阶和三阶失真非常低。
数据手册:*附件:LMH3401 7GHz、超宽带、全差动放大器技术手册.pdf
片上电阻简化了印刷电路板 (PCB) 实现,并能够在 2GHz 的可用带宽内提供最高性能。 此性能使得 LMH3401 非常适合测试和测量、宽带通信以及高速数据采集等应用。 该器件提供了共模参考输入引脚,以便使放大器输出共模符合 ADC 输入要求。 此器件的工作电源电压介于 3.3V 到 5.0V 之间;并且支持双电源供电以满足特定应用需求。
使用 5.0V 电源且达到 275mW 的超低功耗时才能实现这一性能等级。 掉电功能还可实现节能。 LMH3401 通过德州仪器 (TI) 的高级互补 BiCMOS 工艺制成,并采用节省空间的 14 引脚超薄四方扁平无引线 (UQFN) 封装,规定的工作温度范围为 –40°C 到 85°C。
特性
引脚功能和配置
典型特性
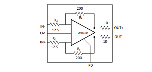
功能方框图
龙腾半导体SGT MOSFET LSGT085R018在智慧农业无