时间:2025-04-18 14:08
人气:
作者:admin
OPA169x 运算放大器将低功耗放大器的性能提高到一个新的层次,实现了 4.2nV/√Hz 的低噪声密度和 –127dB (1kHz) 的低失真。该运算放大器在 2kΩ 负载下还提供 200mV 电源轨范围内的轨至轨输出摆幅,从而增加余量并实现动态范围最大化。这些器件有 ±50mA 的高输出驱动能力。
数据手册:*附件:OPA1692 SoundPlus™低功耗、低噪声、高性能双路双极输入音频运算放大器技术手册.pdf
OPA169x 运算放大器可在 ±1.75V 至 ±18V 或 3.5V 至 36V (每通道的电源电流为 650µA)的宽电源电压范围内工作,具有稳定的单位增益,在各种负载条件下可提供出色的动态行为。
OPA169x 运算放大器的额定工作温度范围为 –40°C 至 125°C。
特性
• 低噪声:1kHz 时为 4.2nV/√Hz
• 低失真:1kHz 时为 –127dB
• 低静态电流:
每通道 650µA
• 压摆率: 23V/μs
• 宽增益带宽:5.1MHz
• 单位增益稳定
• 轨至轨输出
• 宽电源电压范围:
±1.75V 至 ±18V 或 3.5V 至 36V
引脚功能和配置
典型特性
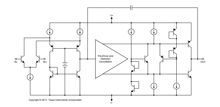
功能方框图
应用
• 无线耳机
• 无线音频监控系统
• 便携式无线电和耳机
• 便携式音效处理器
• 便携式录音系统
• USB 音频外设
龙腾半导体SGT MOSFET LSGT085R018在智慧农业无