时间:2025-05-01 15:47
人气:
作者:admin
TLVx170 系列抗电磁干扰型 36V 单电源低噪声运算放大器在 1kHz 下的 THD+N 为 0.0002%,能够在 2.7V (±1.35V) 至 36V (±18V) 的电源电压范围内运行。这些 特性结合低噪声和超高电源抑制比 (PSRR) 使得单通道 TLV170、双通道 TLV2170 和四通道 TLV4170 成为毫伏级信号放大的理想选择。TLVx170 系列器件还具有良好的失调电压、温漂和带宽以及低静态电流特性。
数据手册:*附件:TLV4170 适用于成本敏感型应用的四路、36V、1.2MHz、低功耗运算放大器技术手册.pdf
大多数运算放大器仅有一个指定的电源电压,TLVx170 系列运算放大器则有所不同,其可在 2.7V 至 36V 的电压范围内额定运行,超过电源轨的输入信号摆幅不会导致反相。TLVx170 系列同时也是单位增益稳定的精密运算放大器,容性负载为 200pF,带宽为 1.2MHz,转换率为 0.4V/µs,非常适用于电流-电压转换器。
器件输入可在负电源轨以下 100mV 以及正电源轨 2V 之内正常运行,但满轨到轨输入的性能会受到影响。TLVx170 器件的额定运行温度范围为 -40°C 至 +125°C。
特性
• 电源电压范围:2.7V 至 36V,±1.35V 至 ±18V
• 低噪声:22 nV/√Hz
• 电磁干扰 (EMI) 滤波器和内部射频 (RF)
• 输入范围包括负电源
• 单位增益稳定:200pF 容性负载
• 轨至轨输出
• 增益带宽:1.2MHz
• 低静态电流:每个放大器 125µA
• 高共模抑制:110dB
• 低偏置电流:10pA(典型值)
引脚功能和配置
典型特性
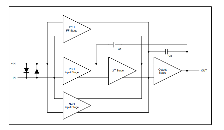
功能方框图
应用
• 点钞机
• AC-DC 转换器
• 电源模块内的跟踪放大器
• 服务器电源
• 逆变器
• 测试设备
• 电池供电的仪器
• 变频器放大器
• 线路驱动器或线路接收器
龙腾半导体SGT MOSFET LSGT085R018在智慧农业无