时间:2025-04-14 09:26
人气:
作者:admin
LM2904-Q1、LM2904B-Q1 和 LM2904BA-Q1 是符合 AEC-Q100 规范的业界通用运算放大器,适合汽车应用。LM2904B-Q1 和 LM2904BA-Q1 是 LM2904-Q1 的下一代版本,包含两个高电压 (36V) 运算放大器。LM2904B-Q1 和 LM2904BA-Q1 为成本敏感型应用提供了卓越的价值,其特性包括低失调电压(最大值分别为 3mV 和 2mV)、对地共模输入范围和高差分输入电压能力。
数据手册:*附件:LM2904B-Q1 运行温度范围为-40°C至125°C的汽车级双路36V 1.2MHz运算放大器技术手册.pdf
LM2904B-Q1 和 LM2904BA-Q1 利用单位增益稳定性、更低的失调电压(0.3mV,典型值)和更低的静态电流(300µA,典型值)等增强型特性简化了电路设计。得益于高 ESD(2kV,HBM)及集成 EMI 和射频滤波器,LM2904B-Q1 和 LM2904BA-Q1 器件可用于汽车市场中要求最为严苛、极具环境挑战性的应用。
特性
• 符合面向汽车应用的 AEC Q-100 标准
– 温度等级 1:–40°C 至 +125°C
– 器件 HBM ESD 分类等级 2
– 器件 CDM ESD 分类等级 C5
• 3V 至 36V 的宽电源电压范围(LM2904B-Q1 和
LM2904BA-Q1)
• 每通道电源电流为 300 µA(LM2904B-Q1 和
LM2904BA-Q1,典型值)
• 单位增益带宽为 1.2 MHz(LM2904B-Q1 和
LM2904BA-Q1)
• 共模输入电压范围包括接地,支持近地直接感测
• 低输入失调电压在 25°C 时为 2mV(LM2904BAQ1,最大值)
• 低输入失调电压在 25°C 时为 3mV(LM2904BQ1,最大值)
• 内部射频和 EMI 滤波器(LM2904B-Q1 和
LM2904BA-Q1)
• 提供功能安全
– 有助于进行功能安全系统设计的文档
引脚功能和配置
典型特性
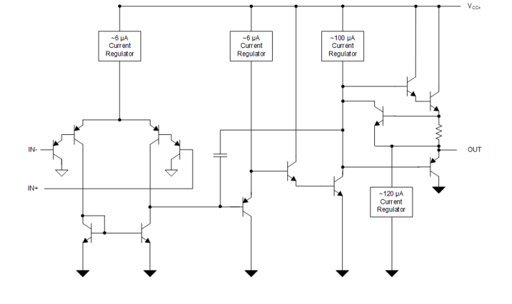
功能方框图
典型应用
运算放大器的典型应用是反相放大器。该放大器在输入端接受正电压,然后使电压变为同样幅度的负电压。它还会以相同的方式使负输入电压变为正电压。
应用
• 汽车照明
• 车身电子装置
• 汽车音响主机
• 远程信息处理控制单元
• 紧急呼叫 (eCall)
• 被动安全:制动系统
• 电动汽车/混合动力电动汽车:
– 逆变器和电机控制
– 车载充电器 (OBC) 和无线充电器
– 电池管理系统 (BMS)
龙腾半导体SGT MOSFET LSGT085R018在智慧农业无