时间:2025-04-15 09:32
人气:
作者:admin
OPA325、OPA2325 和 OPA4325 (OPAx325) 是精密的低压互补金属氧化物半导体 (CMOS) 运算放大器,经优化后具有极低噪声和高带宽,静态工作电流仅为 650µA。
数据手册:*附件:OPA4325 低噪声、高带宽 (10MHz)、低功耗 (0.65mA)、四路零交叉运算放大器技术手册.pdf
OPAx325 具有零交叉失真的线性输入级,能够在整个输入范围内提供 114dB(典型值)的出色共模抑制比 (CMRR)。共模输入范围将正负电源电压分别扩展了 100mV。输出电压摆幅通常在 10mV 电源轨内。
OPAx325 同时拥有零交叉失真、高带宽 (10MHz)、高压摆率 (5V/µs) 和低噪声 (9nV/√Hz) 等优秀特性,堪称一款非常出色的逐次逼近寄存器 (SAR) 模数转换器 (ADC) 输入驱动放大器。此外,OPAx325 还具有 2.2V 至 5.5V 的宽电源电压范围,而且整个电源电压范围内的电源抑制比 (PSRR) 都极为出色,因此该器件非常适合不经稳压而直接由电池 供电的 高精度、低功耗类应用。
OPA325(单通道版)采用 SOT23-5 封装。OPA2325(双通道版)采用 SO-8 和 MSOP-8 封装。OPA4325(四通道版)采用 TSSOP-14 封装。
特性
• 零交叉失真时的精度:
– 低失调电压:150μV(最大值)
– 高共模抑制比 (CMRR):114dB
– 轨至轨 I/O
• 高带宽:10MHz
• 静态电流:650μA/每通道
• 单电源电压范围:2.2V 至 5.5V
• 低输入偏置电流:0.2pA
• 低噪声:10kHz 时为 9nV/√Hz
• 压摆率:5V/μs
• 单位增益稳定
引脚功能和配置
典型特性
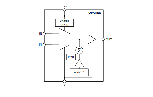
功能方框图
应用
• 高阻抗传感器信号调节
• 跨阻放大器
• 测试和测量设备
• 可编程逻辑控制器 (PLC)
• 电机控制环路
• 通信
• 输入、输出 ADC 和 DAC 缓冲器
• 有源滤波器
龙腾半导体SGT MOSFET LSGT085R018在智慧农业无