时间:2025-04-16 13:55
人气:
作者:admin
OPA189、OPA2189 和 OPA4189 (OPAx189) 高精度运算放大器是超低噪声、快速稳定、零漂移器件,提供轨到轨输出,并具有独特的多路复用友好型架构和受控启动系统。这些功能和出色的交流性能,再加上单通道版本仅 0.4µV 的失调电压和 0.005µV/°C 的温漂,使 OPAx189 成为精密仪器、信号测量和有源滤波应用的理想选择。此外,多路复用器友好型输入架构可在施加较大输入差分电压时防止浪涌电流的产生,从而提高了多通道系统中的建立时间性能,同时还可在运输、操作和组装期间提供强大的 ESD 保护。
数据手册:*附件:OPA2189 支持多路复用器的双通道、14MHz、低噪声、零漂移、RRO、CMOS精密运算放大器技术手册.pdf
所有器件版本的额定工作温度范围为 -40°C 至 +125°C。
特性
• 超高精度:
– 零漂移:0.005μV/°C (OPA189)
– 超低失调电压:最大值 3μV (OPA189)
• 出色的直流精度:
– CMRR:168dB
– 开环增益:170dB
• 低噪声:
– 1kHz 时,en 为:5.2 nV/√Hz
– 0.1Hz 至 10Hz 噪声:0.1µVPP
• 出色的动态性能:
– 增益带宽:14 MHz
– 压摆率:20V/µs
– 快速稳定:10V 阶跃,0.01%,1.1µs
• 强大设计:
– 多路复用器友好型输入
– RFI/EMI 滤波输入
• 宽电源电压范围:4.5V 至 36V
• 静态电流:1.7 mA(最大值)
• 轨到轨输出
• 输入包括负电源轨
引脚功能和配置
典型特性
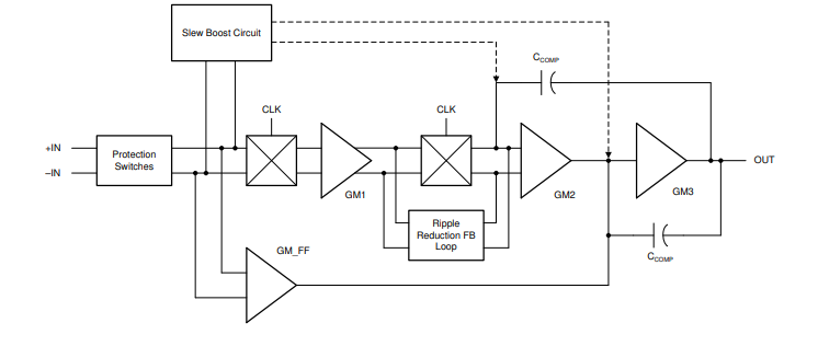
功能方框图
应用
• 电池测试
• 模拟输入模块
• 称重计
• 直流电源、交流电源、电子负载
• 多功能继电器
龙腾半导体SGT MOSFET LSGT085R018在智慧农业无