时间:2025-04-17 15:04
人气:
作者:admin
INA180 -Q1、INA2180 -Q1 和 INA4180 -Q1 (INAx180 -Q1) 电流检测放大器专为成本优化型应用而设计。此类器件是一系列电流检测放大器(也称为电流分流监控器)的一部分,可在独立于电源电压的 –0.2V 至 +26V 范围内的共模电压中检测电流检测电阻器上的压降。INAx180 -Q1 集成了匹配的电阻增益网络,支持四个固定增益器件选项:20V/V、50V/V、100V/V 或 200V/V。该匹配的增益电阻网络可更大程度地减少增益误差,并降低了温度漂移。
数据手册:*附件:INA2180-Q1 AEC-Q100、26V、双通道、350kHz、电流感应放大器技术手册.pdf
所有此类器件由 2.7V 至 5.5V 单电源供电。单通道 INA180 -Q1 消耗的最大电源电流为 260µA;而双通道 INA2180 -Q1 消耗的最大电源电流为 500µA,四通道消耗的最大电源电流为 900µA。
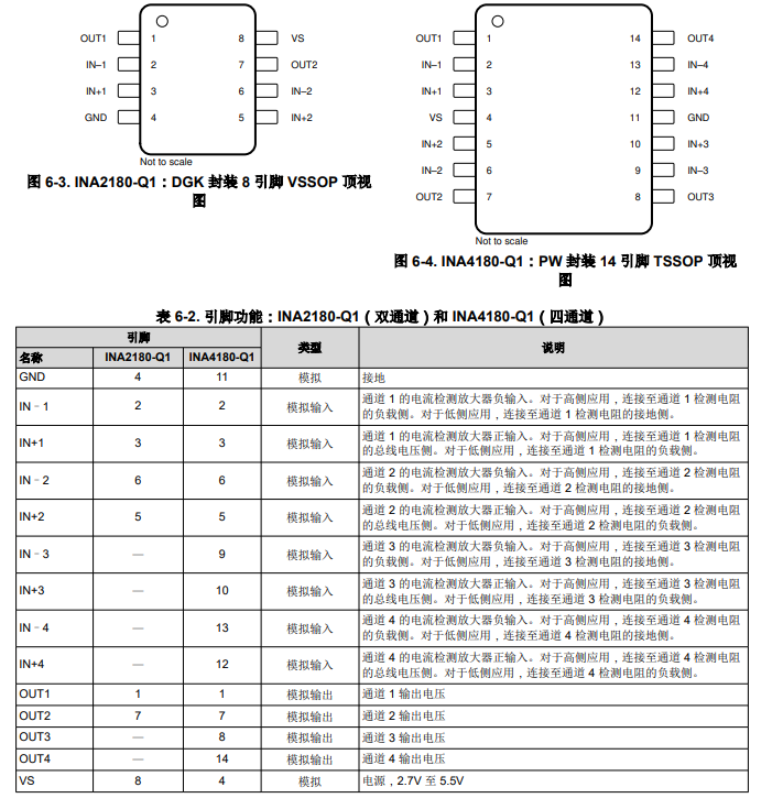
INA180 -Q1 采用具有两种不同引脚配置的 5 引脚 SOT-23 封装。INA2180 -Q1 采用 8 引脚 VSSOP 封装。INA4180 -Q1 采用 14 引脚 TSSOP 封装。所有器件选项都具有 –40°C 至 +125°C 的扩展额定工作温度范围。
特性
• 符合面向汽车应用的 AEC-Q100 标准
– 温度等级 1:–40°C ≤ TA ≤ +125°C
– HBM ESD 分类等级 2
– CDM ESD 分类等级 C6
• 提供功能安全
– 可帮助进行功能安全系统设计的文档
• 共模范围 (VCM):–0.2V 至 +26V
• 高带宽:350kHz(A1 器件)
• 失调电压:
– VCM = 0V 时为 ±150µV(最大值)
– VCM = 12V 时为 ±500µV(最大值)
• 输出压摆率:2V/µs
• 精度:
– ±1% 增益误差(最大值)
– 1µV/°C 温漂(最大值)
• 增益选项:
– 20V/V(A1 器件)
– 50V/V(A2 器件)
– 100V/V(A3 器件)
– 200V/V(A4 器件)
• 静态电流:260µA(最大值)(INA180-Q1)
引脚功能和配置
典型特性
功能方框图
应用
• 电机控制
• 电池监控
• 电源管理
• 照明控制
• 过流检测
龙腾半导体SGT MOSFET LSGT085R018在智慧农业无