时间:2025-04-02 10:59
人气:
作者:admin
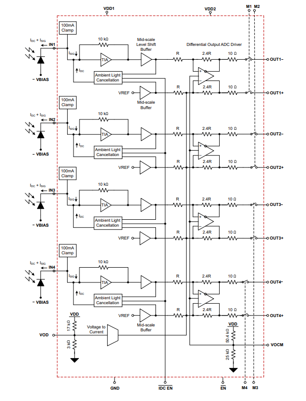
LMH32404 是一款四通道、单端输入转差分输出跨阻放大器 (TIA),适用于光探测和测距 (LIDAR) 应用和激光测距系统。
数据手册:*附件:LMH32404 具有集成多路复用功能的四通道差分输出跨阻放大器技术手册.pdf
LMH32404 在每个通道上集成了一个 100mA 钳位,可以为放大器提供保护并允许器件迅速从过载输入状况中恢复。 LMH32404 还在每个通道上提供一个集成式环境光消除 (ALC) 电路,可取代光电二极管与放大器之间的交流耦合,从而节省布板空间和系统成本。进行直流和低频测量时,应禁用 ALC 回路。
每个 LMH32404 通道在输出端具有集成的开关,用于断开差分输出放大器与输出引脚的连接,并将通道置于待机模式。在不同通道之间切换时,转换时间仅为 10ns。当不使用放大器时,可以使用 EN 引脚将 LMH32404 置于低功耗模式,以节省能源。
特性
• 增益:20kΩ
• 性能,CPD = 1pF:
– 带宽:350 MHz
– 输入参考噪声:56nARMS
– 上升,下降时间:1.25ns
• 静态电流:28 mA/通道
• 待机模式:10 mA/通道
• 低功耗模式:2.5mA(4 个通道)
• 通道开关时间:10ns
• 集成式环境光消除
• 集成式 100mA 保护钳位
• 4 个输入通道和 4 个差分输出通道
• 集成的多路复用器可实现光学传感器和 ADC/TDC之间的灵活配置
• 可以将多个 LMH32404 并联组合,以实现更宽的视野 (FoV)
• 封装:28 引脚 VQFN
– 裸片
• 温度范围:-40°C 至 +125°C
引脚功能和配置

典型特性
功能方框图
典型应用
应用
• 机械扫描激光雷达
• 固态扫描激光雷达
• 激光测距仪
• 安全区域扫描仪
龙腾半导体SGT MOSFET LSGT085R018在智慧农业无